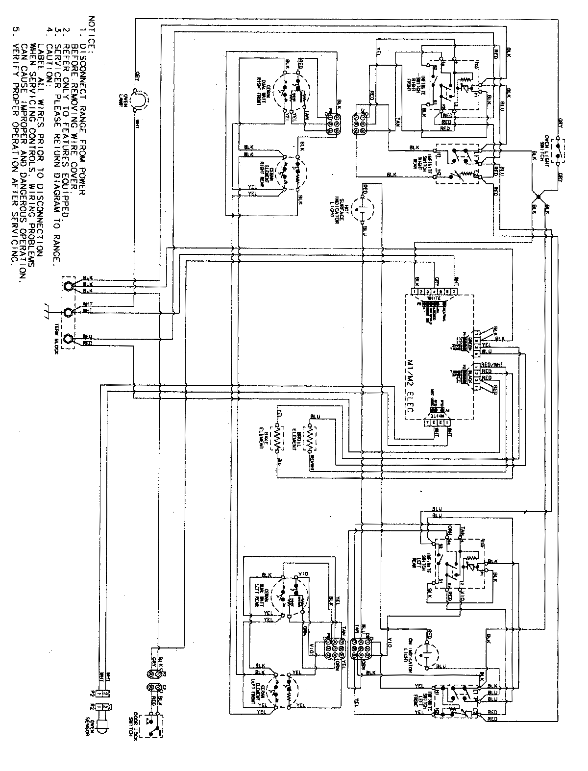
MERL752BAB 06 – WIRING INFORMATIONadmin2025-04-26T08:54:38+00:00MERL752BAB 06 – WIRING INFORMATION ProductsPositionProductNIMAY 15003728