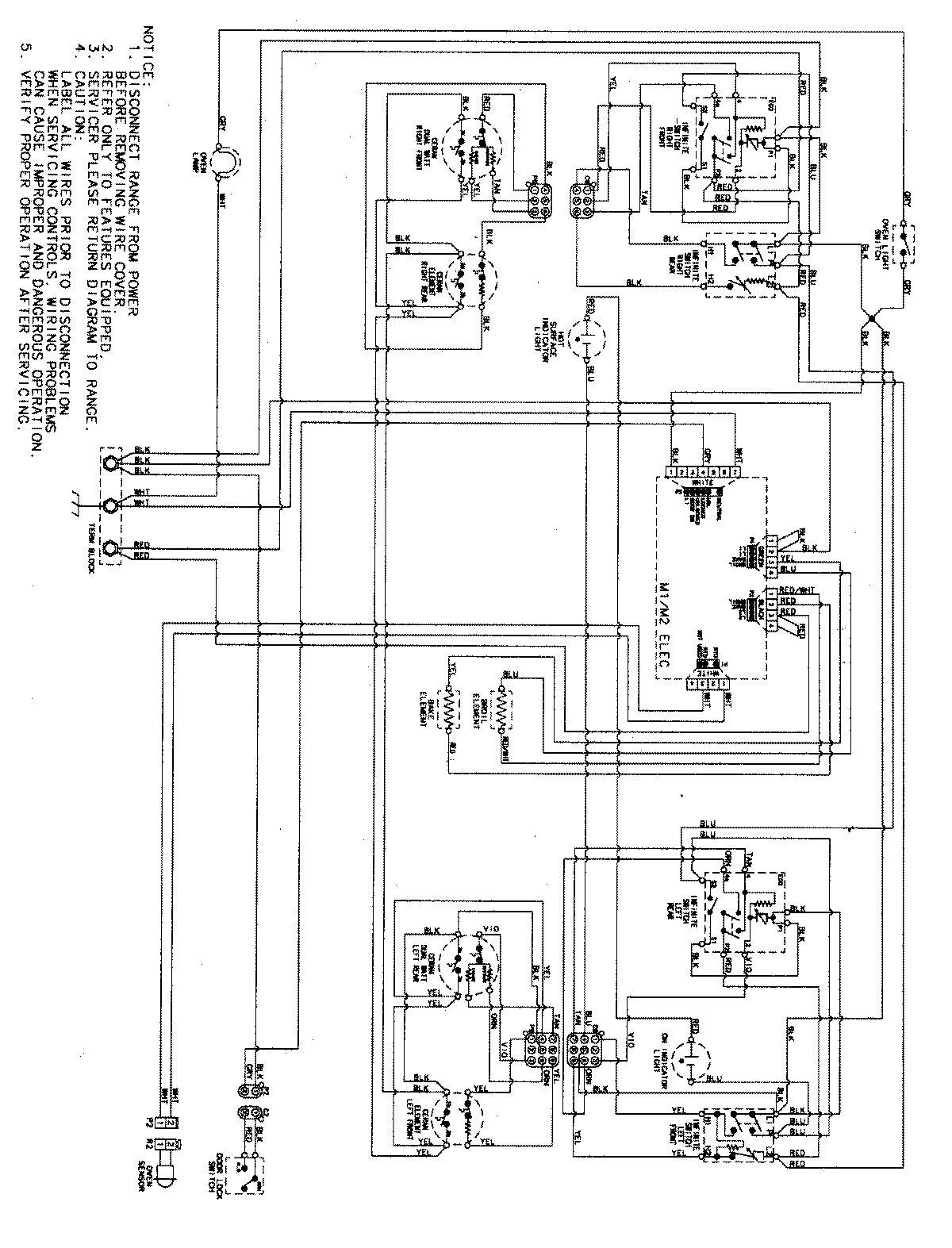
MERL752BAQ 06 – WIRING INFORMATION

MERL752BAQ 06 – WIRING INFORMATION

Products

PositionProduct
NIMAY 15003728