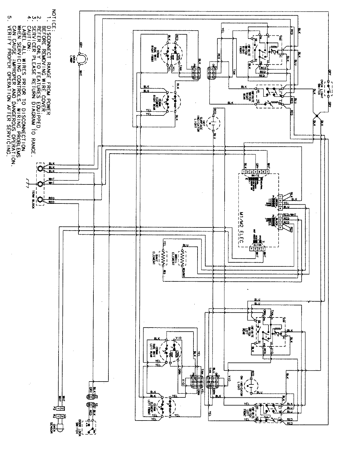
MERL752BAW 06 – WIRING INFORMATIONadmin2025-04-26T08:55:08+00:00MERL752BAW 06 – WIRING INFORMATION ProductsPositionProductNIMAY 15003728