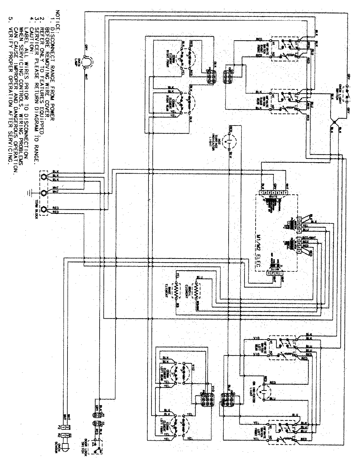
MERM752BAS 06 – WIRING INFORMATIONadmin2025-04-26T08:55:12+00:00MERM752BAS 06 – WIRING INFORMATION ProductsPositionProductNIMAY 15003512