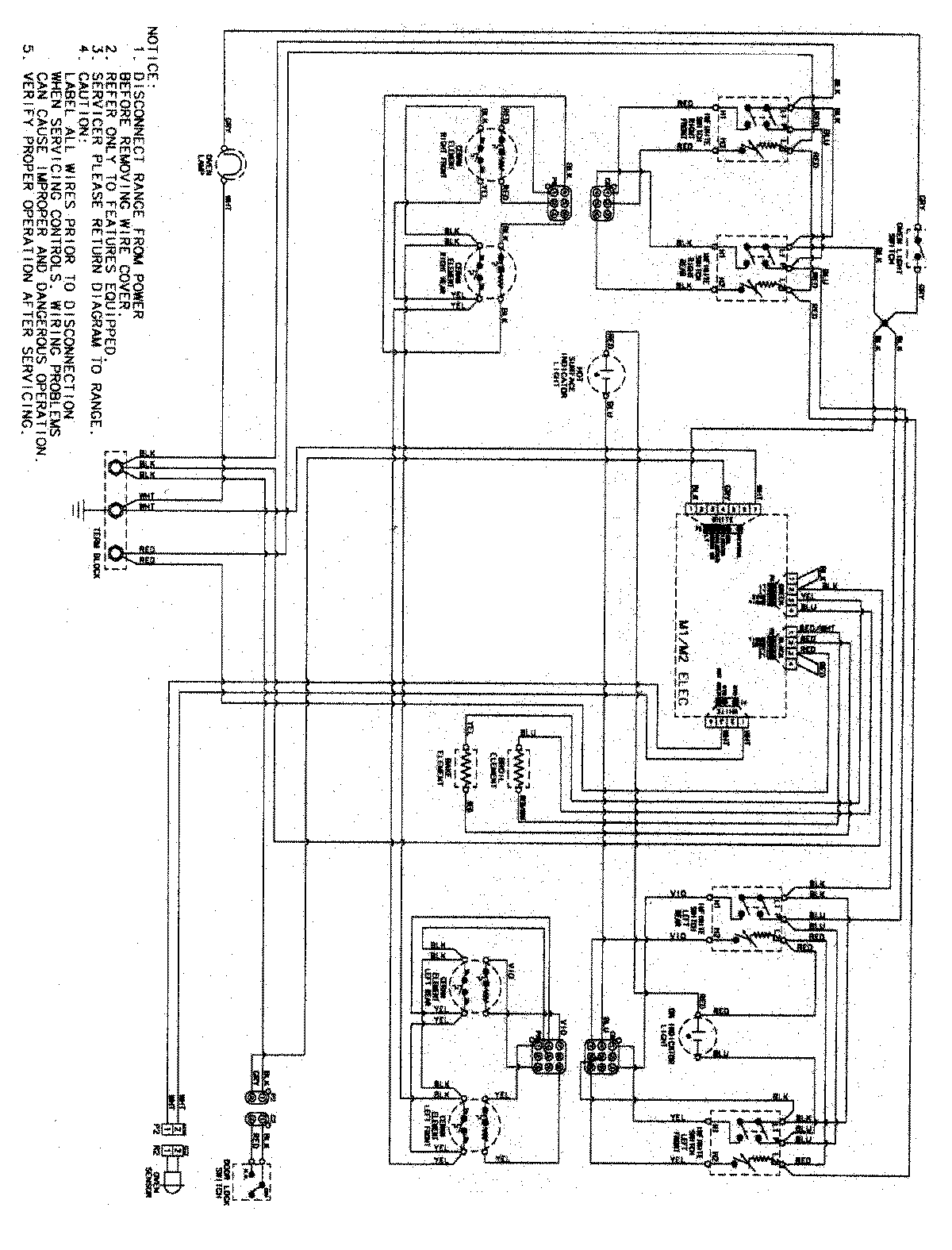
MERM752BAW 06 – WIRING INFORMATIONadmin2025-04-26T08:54:46+00:00MERM752BAW 06 – WIRING INFORMATION ProductsPositionProductNIMAY 15003512