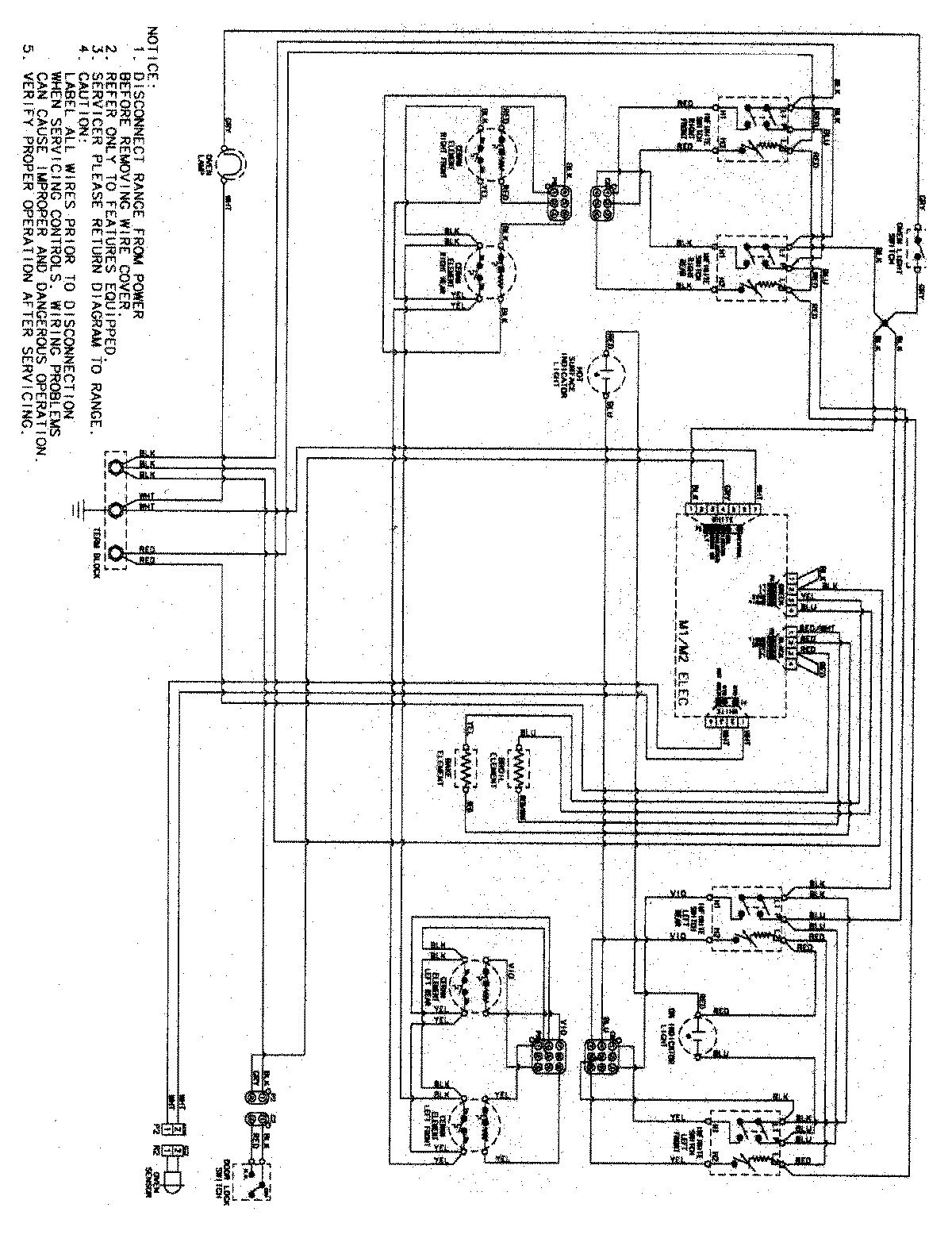
MERS751BAB 06 – WIRING INFORMATIONadmin2025-04-26T08:54:39+00:00MERS751BAB 06 – WIRING INFORMATION ProductsPositionProductNIMAY 15003512