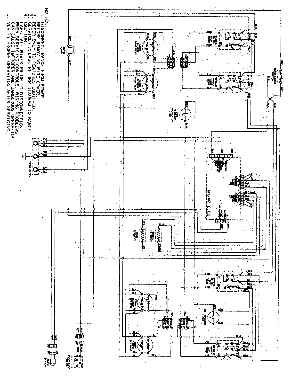
MERS751BAQ 06 – WIRING INFORMATIONadmin2025-04-26T08:54:57+00:00MERS751BAQ 06 – WIRING INFORMATION ProductsPositionProductNIMAY 15003512