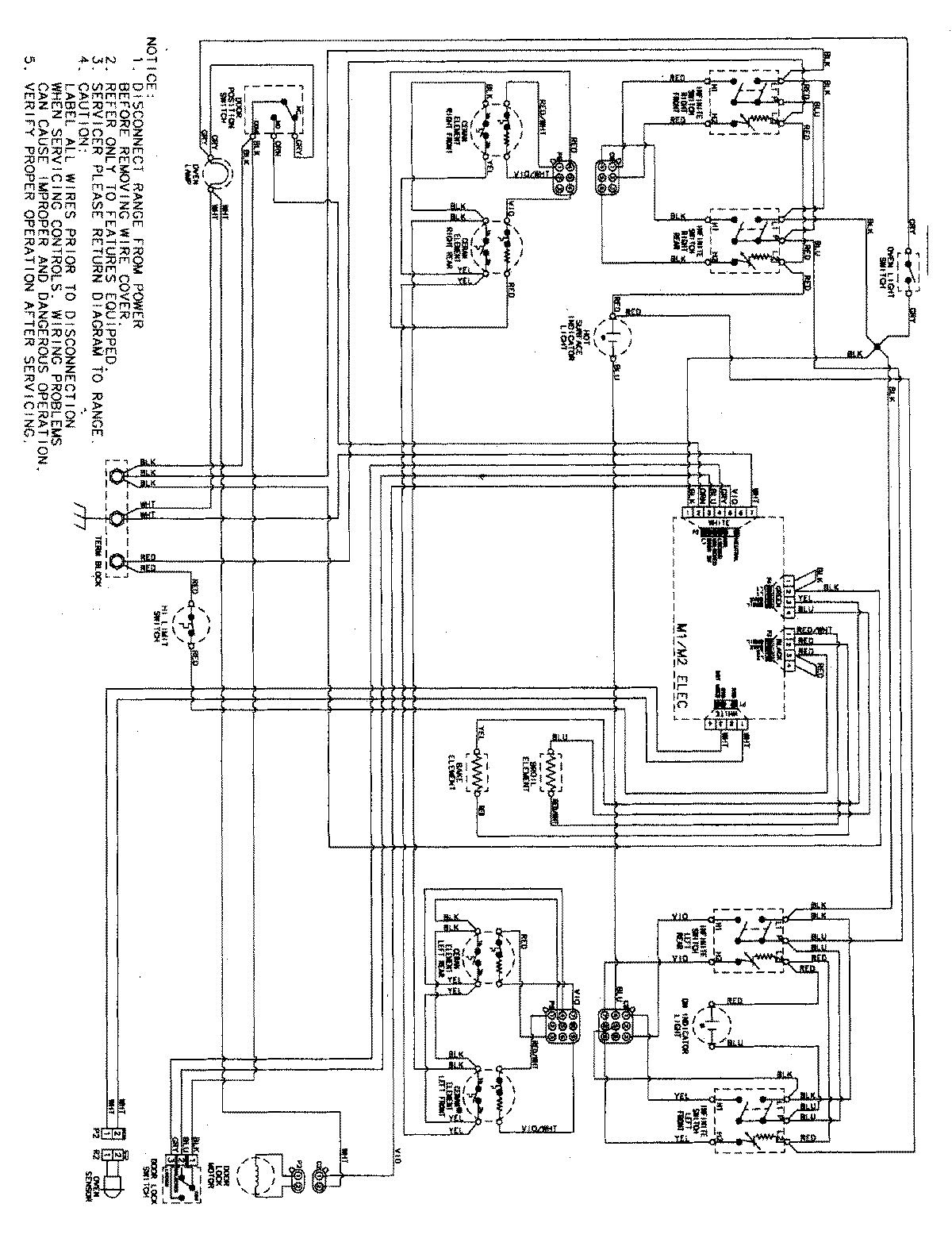
MERS755RAB 06 – WIRING INFORMATIONadmin2025-04-26T08:54:48+00:00MERS755RAB 06 – WIRING INFORMATION ProductsPositionProductNIMAY 15003740