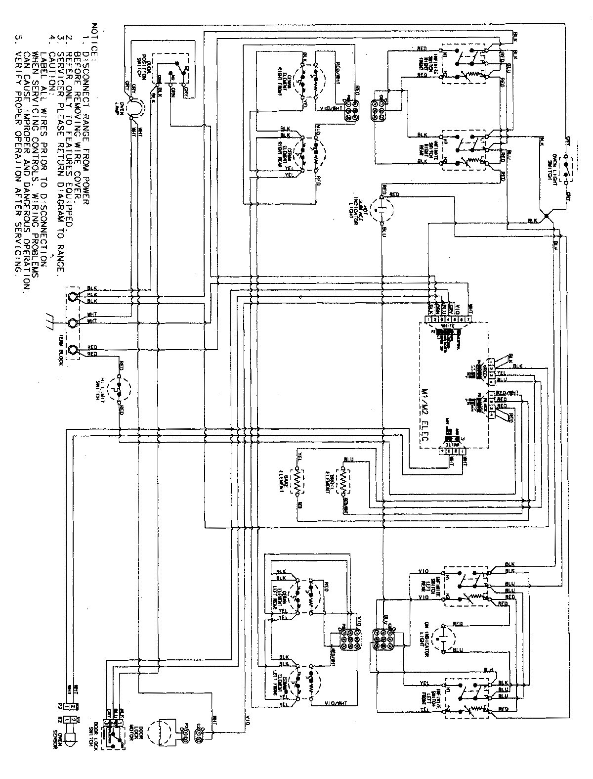
MERS755RAQ 06 – WIRING INFORMATIONadmin2025-04-26T08:54:47+00:00MERS755RAQ 06 – WIRING INFORMATION ProductsPositionProductNIMAY 15003740