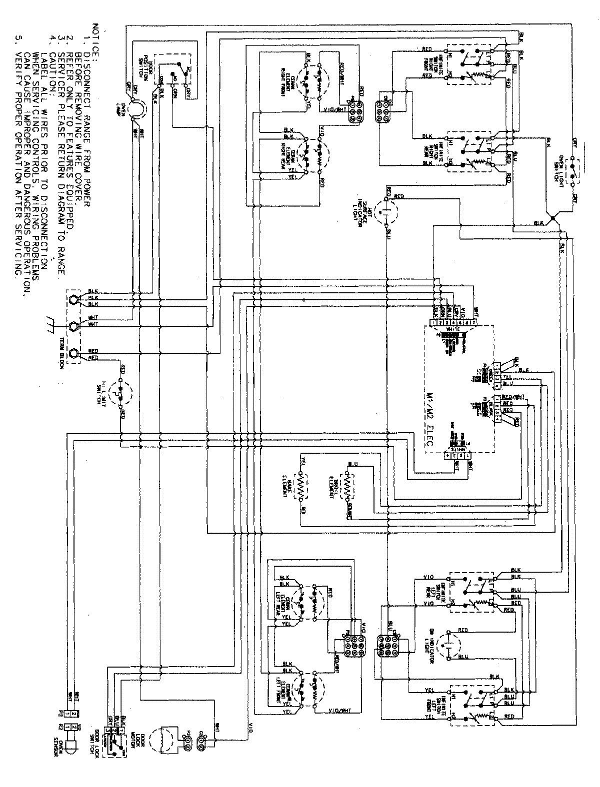
MERS755RAS 06 – WIRING INFORMATIONadmin2025-04-26T08:54:29+00:00MERS755RAS 06 – WIRING INFORMATION ProductsPositionProductNIMAY 15003740