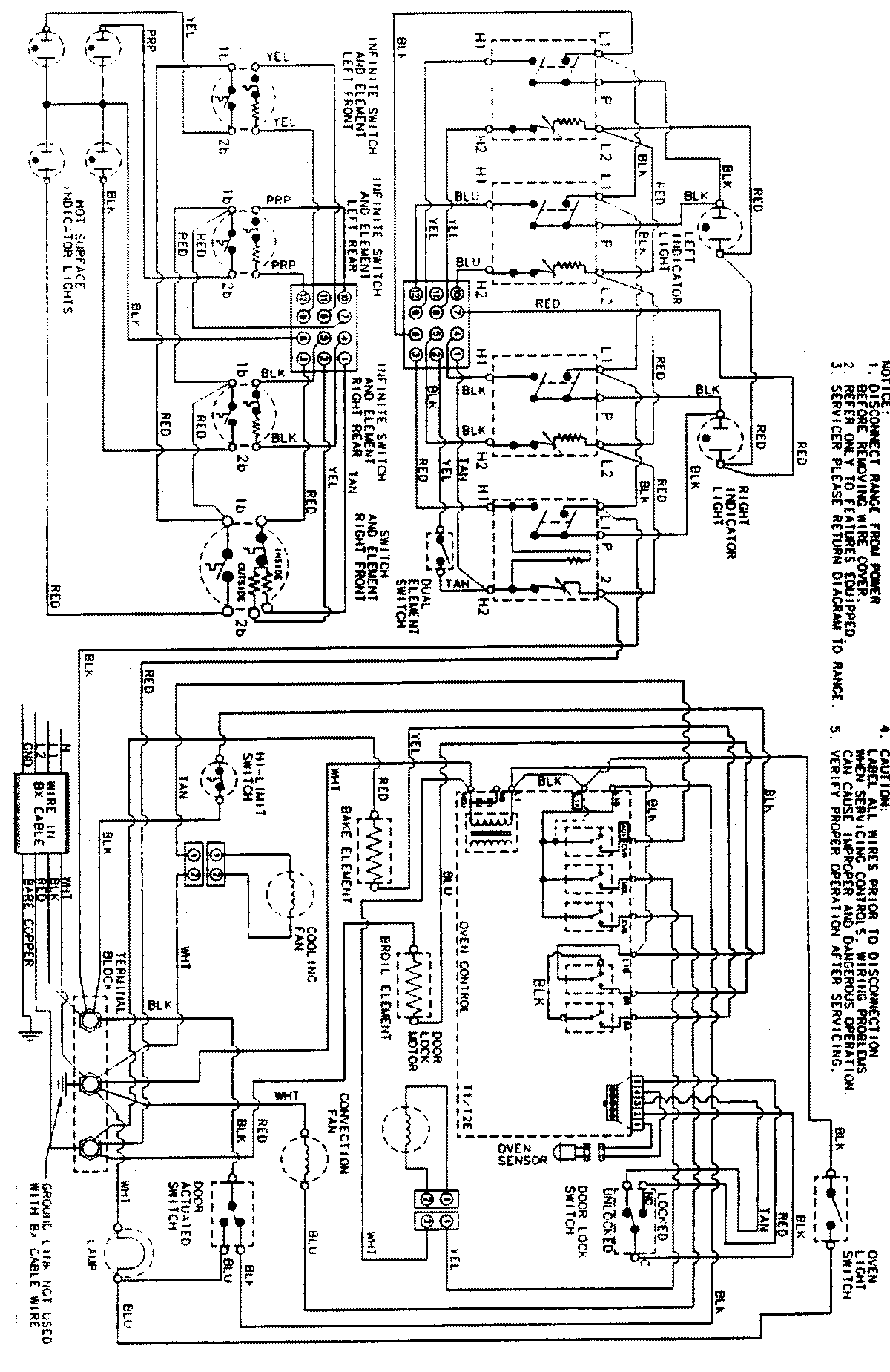
MES5770AAA 06 – WIRING INFORMATIONadmin2025-04-26T08:54:37+00:00MES5770AAA 06 – WIRING INFORMATION ProductsPositionProductNIMAY 15002561