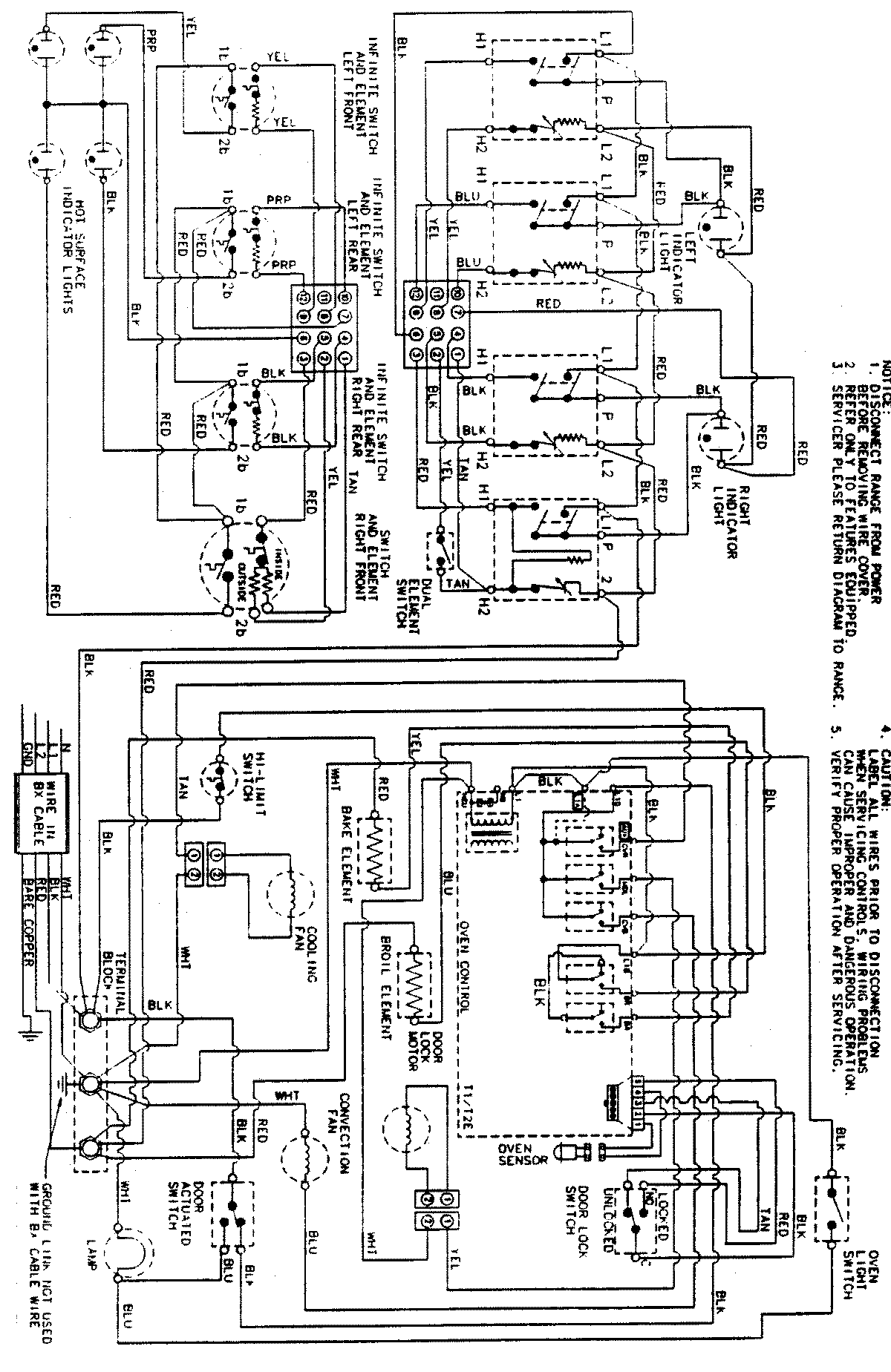
MES5770AAC 06 – WIRING INFORMATIONadmin2025-04-26T08:55:11+00:00MES5770AAC 06 – WIRING INFORMATION ProductsPositionProductNIMAY 15002561NIMAY 15003357