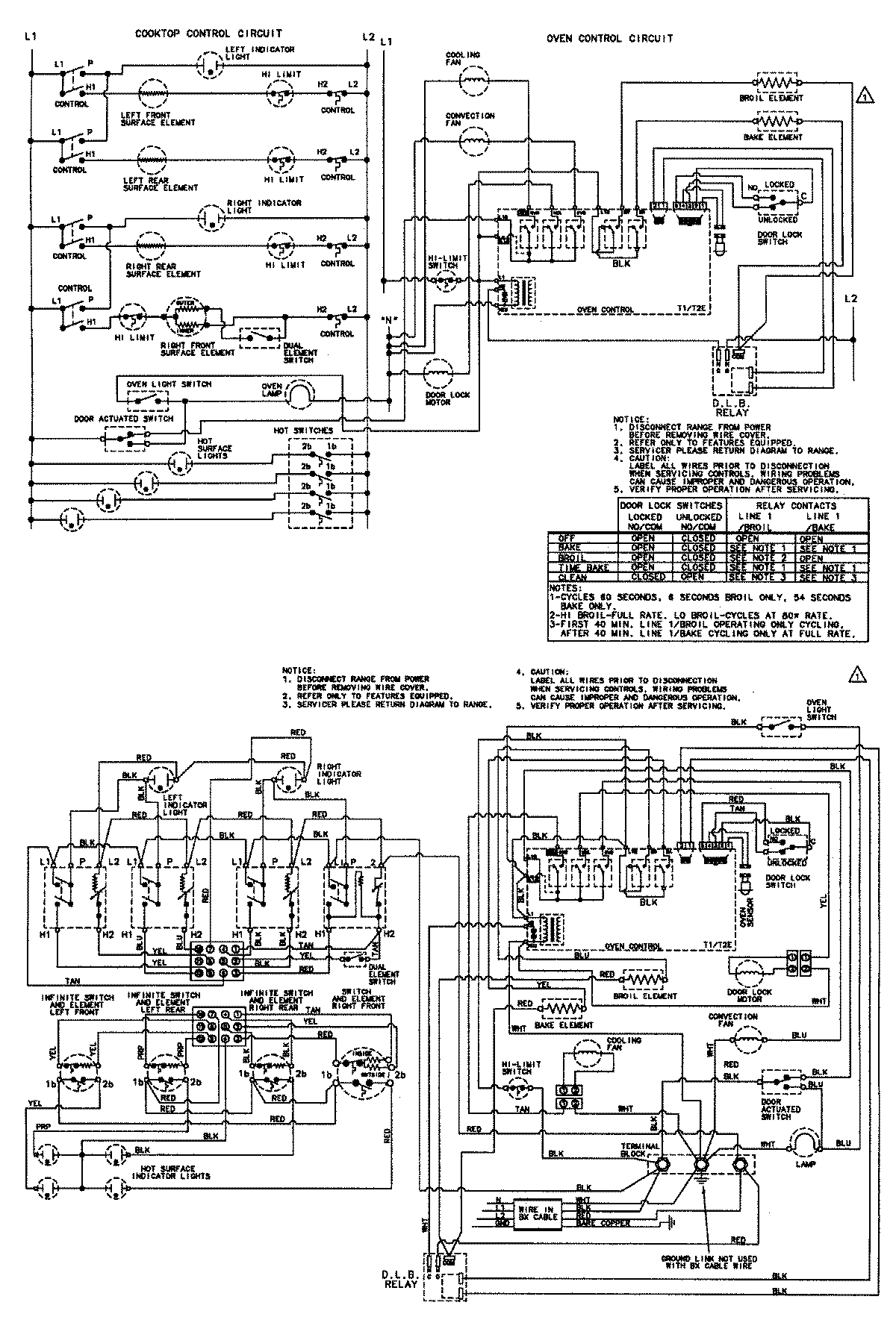
MES5770ACW 05 – WIRING INFORMATION

MES5770ACW 05 – WIRING INFORMATION

Products

PositionProduct
NIMAY 15002650