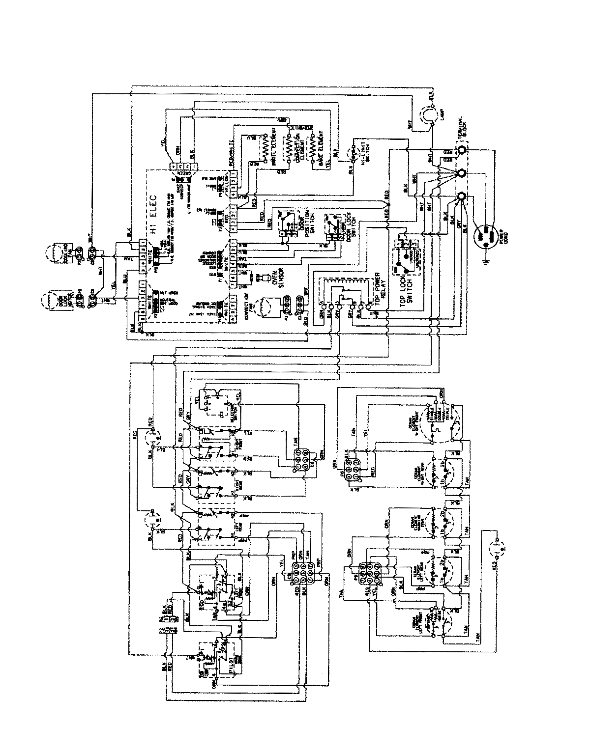
MES5775BCB 06 – WIRING INFORMATIONadmin2025-04-26T08:54:50+00:00MES5775BCB 06 – WIRING INFORMATION ProductsPositionProductNIMAY 15003750