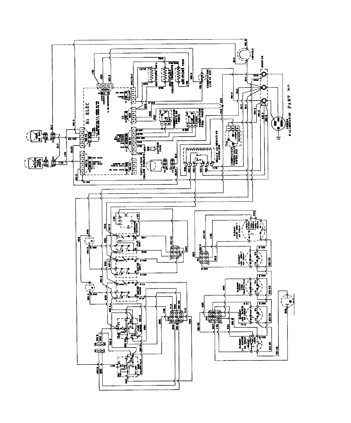
MES5775BCB 07 – WIRING INFORMATION (FRENCH)admin2025-04-26T08:54:57+00:00MES5775BCB 07 – WIRING INFORMATION (FRENCH) ProductsPositionProductNIMAY 15003751