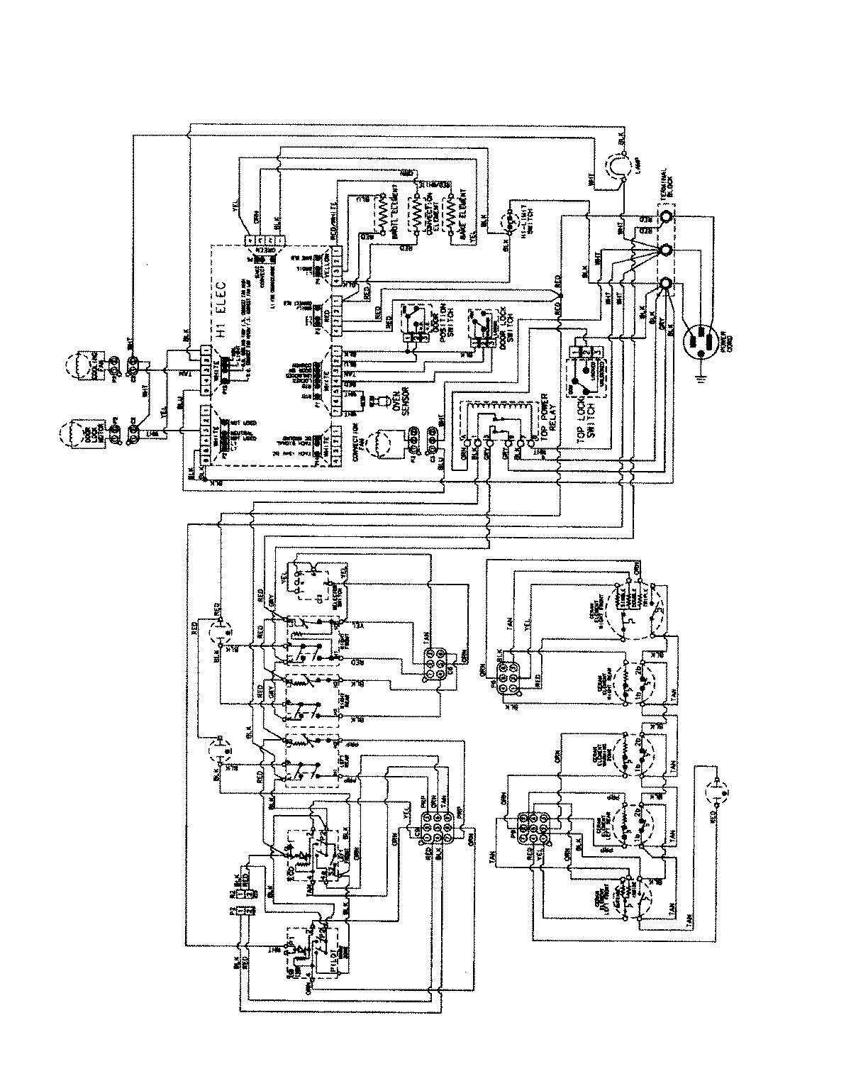
MES5775BCF 06 – WIRING INFORMATIONadmin2025-04-26T08:54:58+00:00MES5775BCF 06 – WIRING INFORMATION ProductsPositionProductNIMAY 15003750