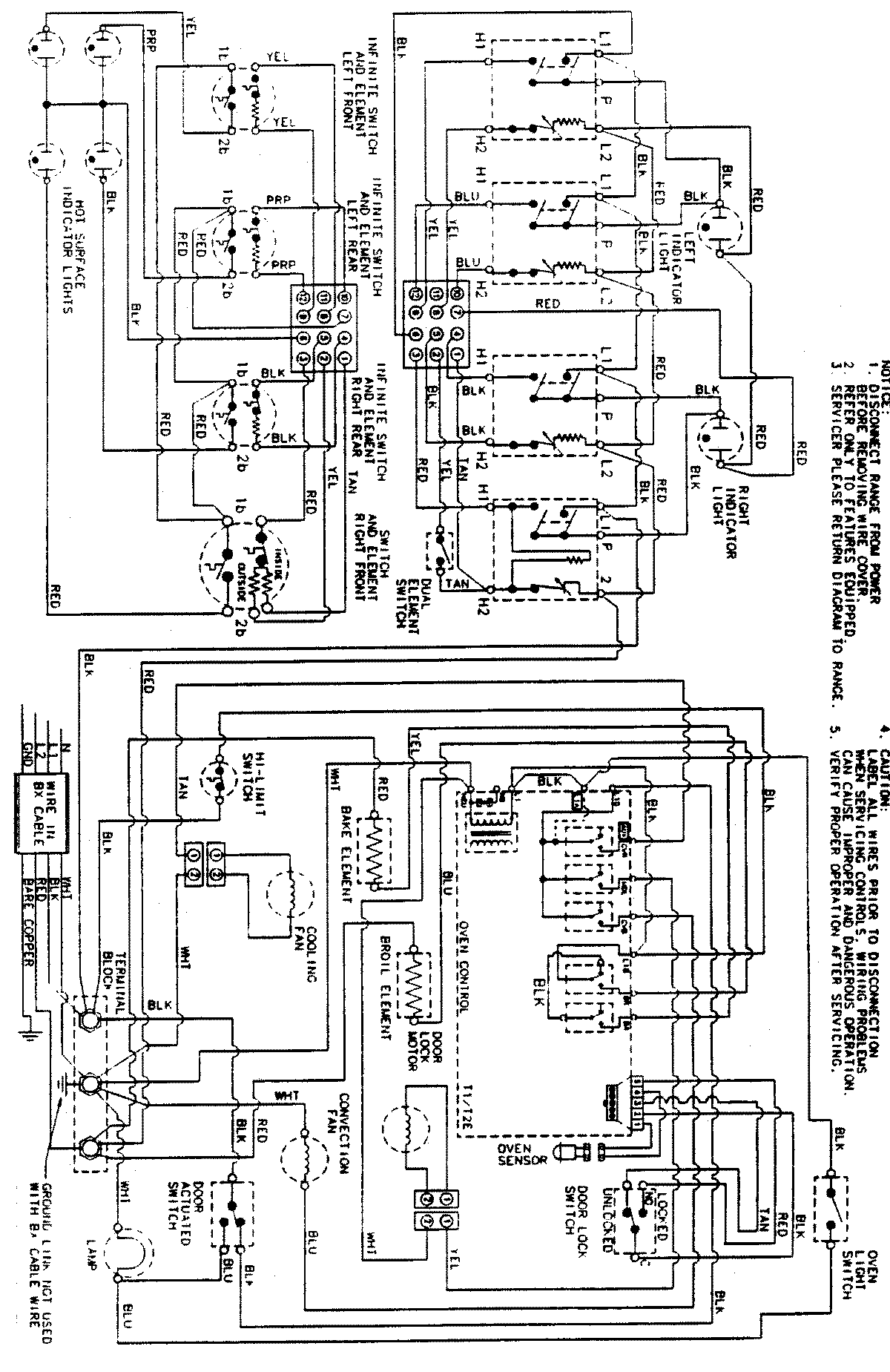
MES5870AAA 06 – WIRING INFORMATIONadmin2025-04-26T08:55:09+00:00MES5870AAA 06 – WIRING INFORMATION ProductsPositionProductNIMAY 15002561