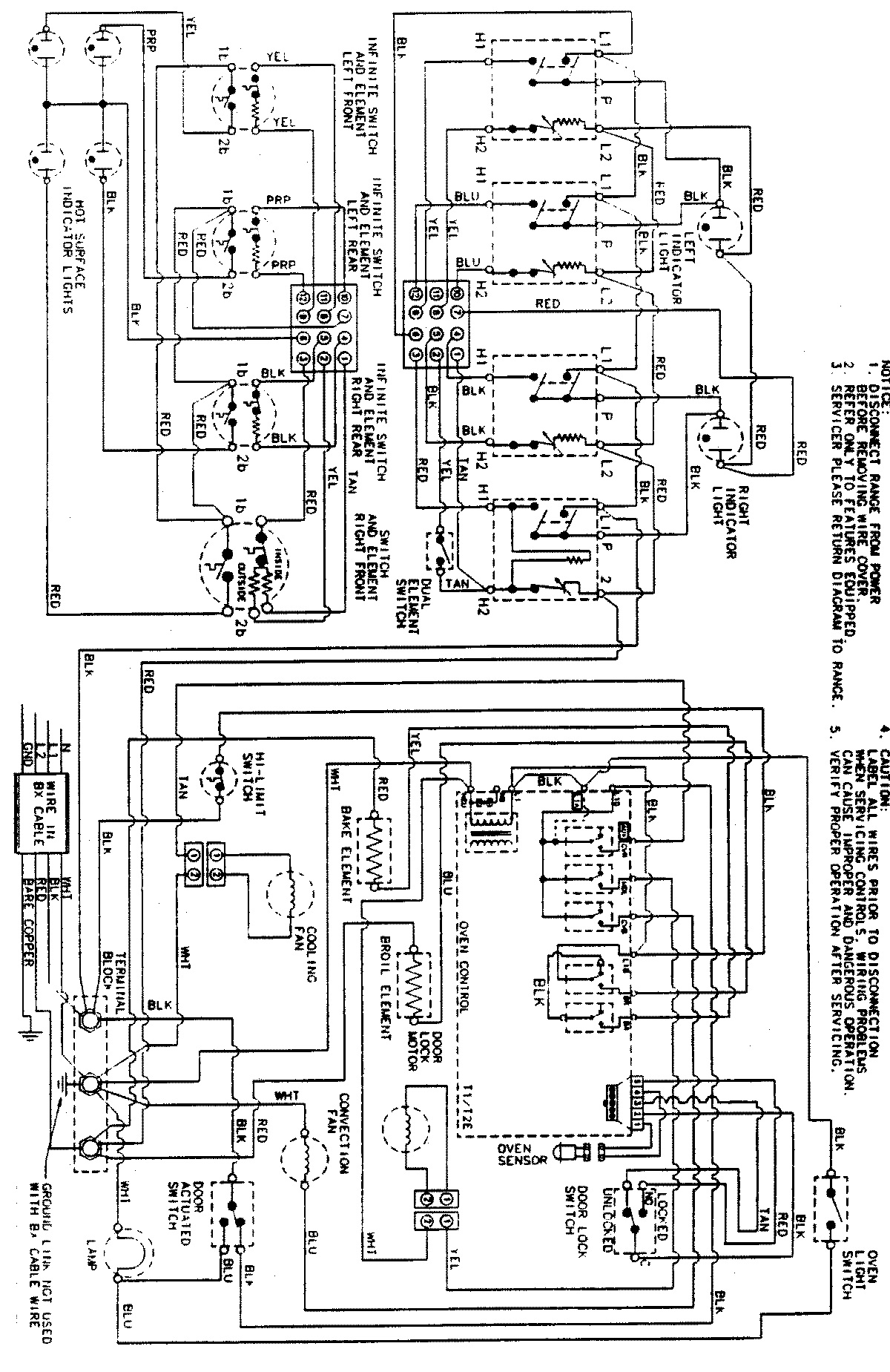
MES5870AAB 06 – WIRING INFORMATIONadmin2025-04-26T08:54:58+00:00MES5870AAB 06 – WIRING INFORMATION ProductsPositionProductNIMAY 15002561NIMAY 15003357