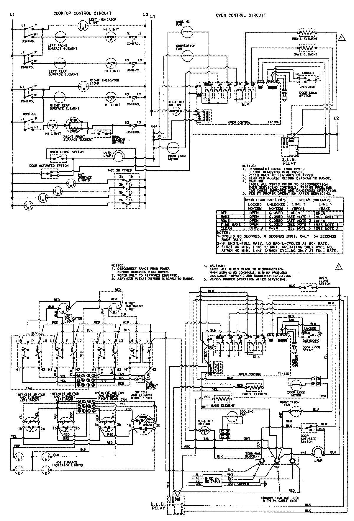
MES5870ACB 06 – WIRING INFORMATIONadmin2025-04-26T08:54:58+00:00MES5870ACB 06 – WIRING INFORMATION ProductsPositionProductNIMAY 15002650