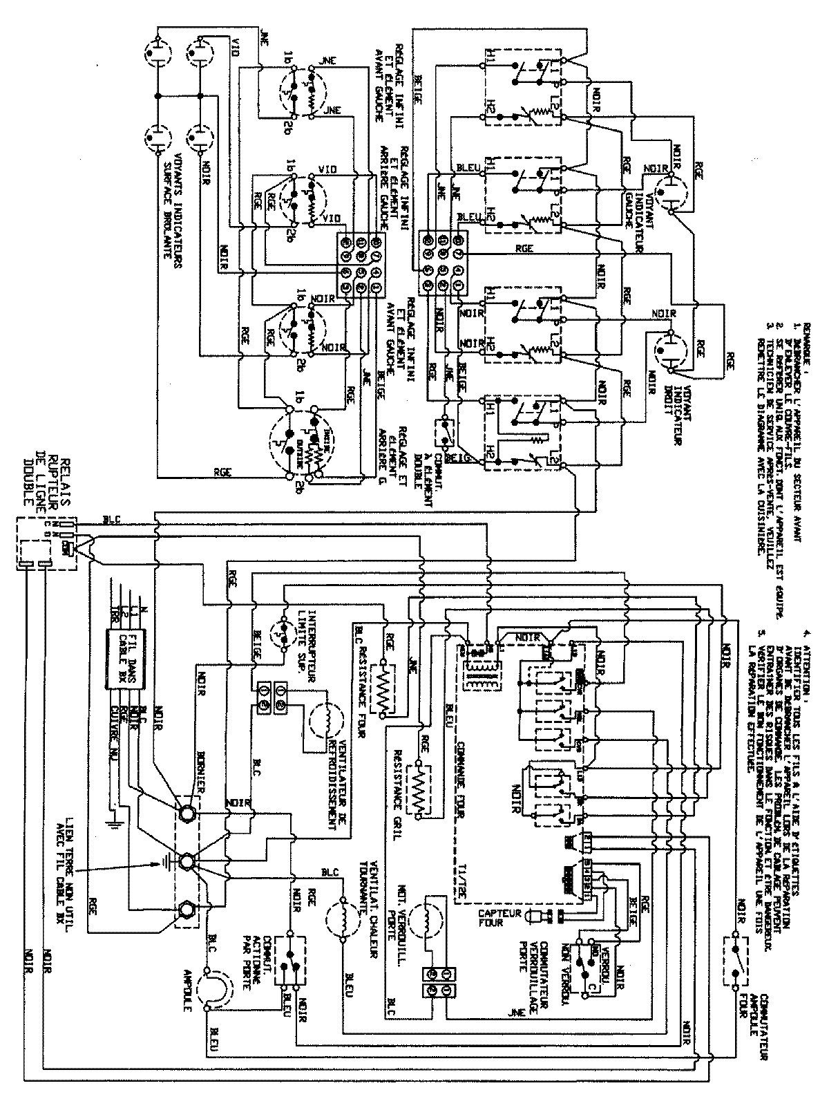
MES5870ACB 07 – WIRING INFORMATIONadmin2025-04-26T08:54:46+00:00MES5870ACB 07 – WIRING INFORMATION ProductsPositionProduct1MAY 15002766