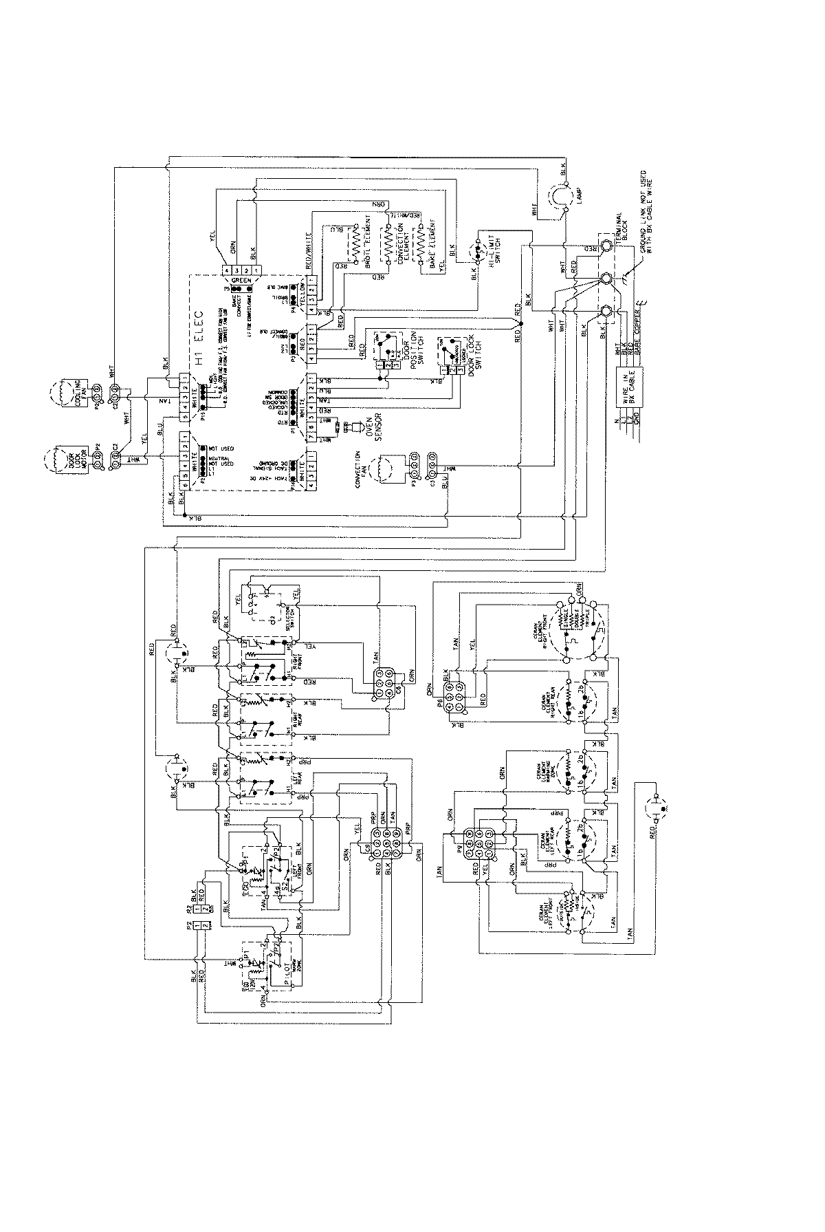
MES5875BAB 06 – WIRING INFORMATIONadmin2025-04-26T08:55:00+00:00MES5875BAB 06 – WIRING INFORMATION ProductsPositionProductNIMAY 15003732