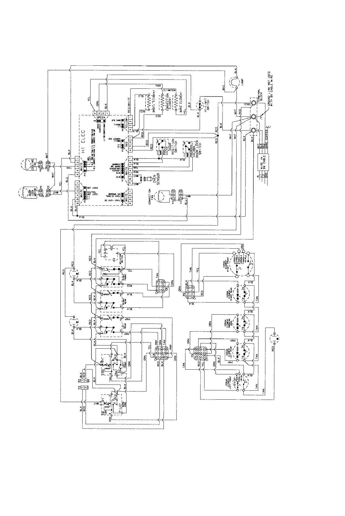
MES5875BAF 06 – WIRING INFORMATIONadmin2025-04-26T08:54:46+00:00MES5875BAF 06 – WIRING INFORMATION ProductsPositionProductNIMAY 15003732