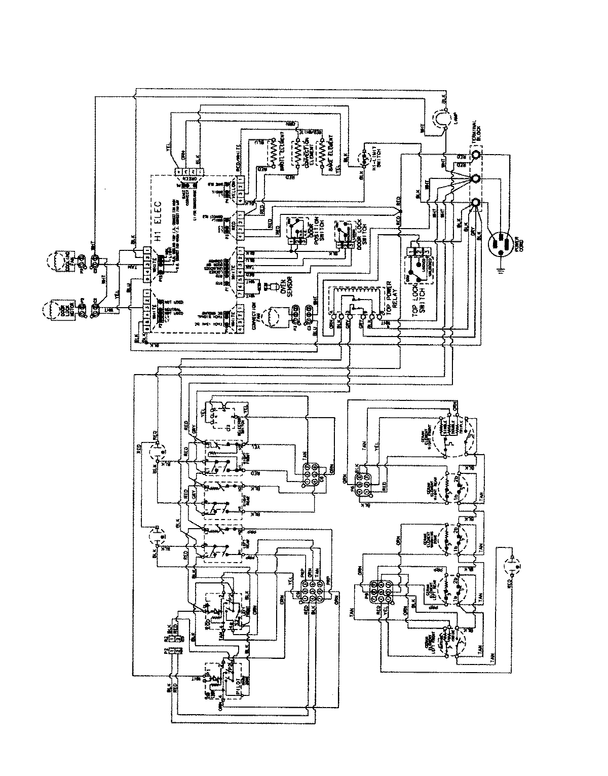
MES5875BCB 06 – WIRING INFORMATIONadmin2025-04-26T08:54:39+00:00MES5875BCB 06 – WIRING INFORMATION ProductsPositionProductNIMAY 15003750