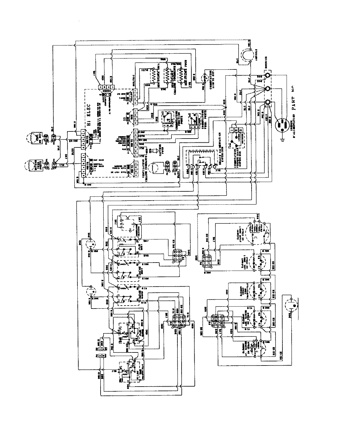
MES5875BCS 07 – WIRING INFORMATION (FRENCH)admin2025-04-26T08:54:47+00:00MES5875BCS 07 – WIRING INFORMATION (FRENCH) ProductsPositionProductNIMAY 15003751