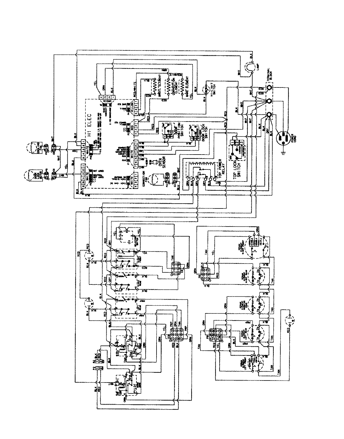
MES5875BCW 06 – WIRING INFORMATIONadmin2025-04-26T08:54:35+00:00MES5875BCW 06 – WIRING INFORMATION ProductsPositionProductNIMAY 15003750