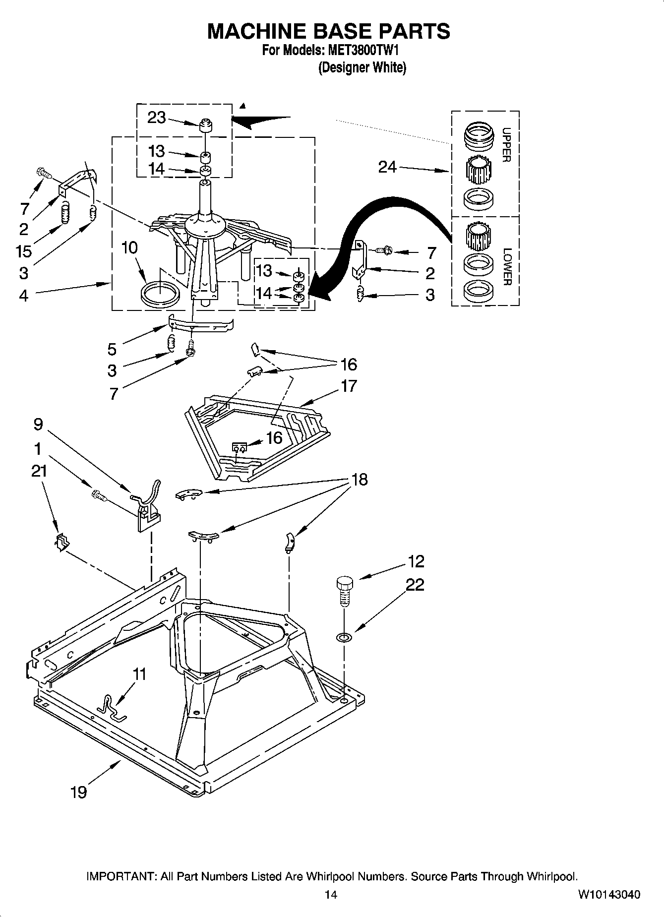
MET3800TW1 09 – MACHINE BASE PARTSadmin2025-04-26T08:54:59+00:00MET3800TW1 09 – MACHINE BASE PARTS ProductsPositionProduct1SCREW2MAY 640673SPRING, SUSPENSION(3)4MAY 85752145MAY 640657Screw, 10-32 x 5/89MAY 335050610MAY 6313411MAY 6380612Screw, 5/16-18 x 1 3/3213MAY 854645514MAY 35740915MAY 38849216MAY 6256817MAY 394650918MAY 336366019MAY 334934321MAY 334974922MAY 334934023MAY 857737624MAY 285203