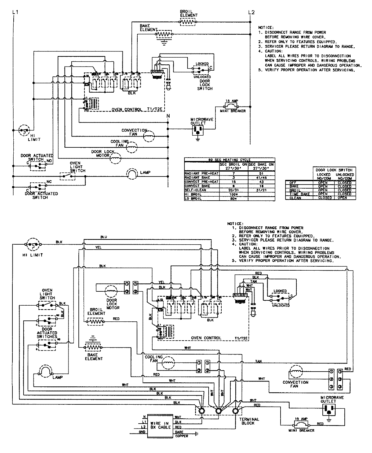
MEW5527BAB 06 – WIRING INFORMATIONadmin2025-04-26T09:08:09+00:00MEW5527BAB 06 – WIRING INFORMATION ProductsPositionProductNIMAY 15002627