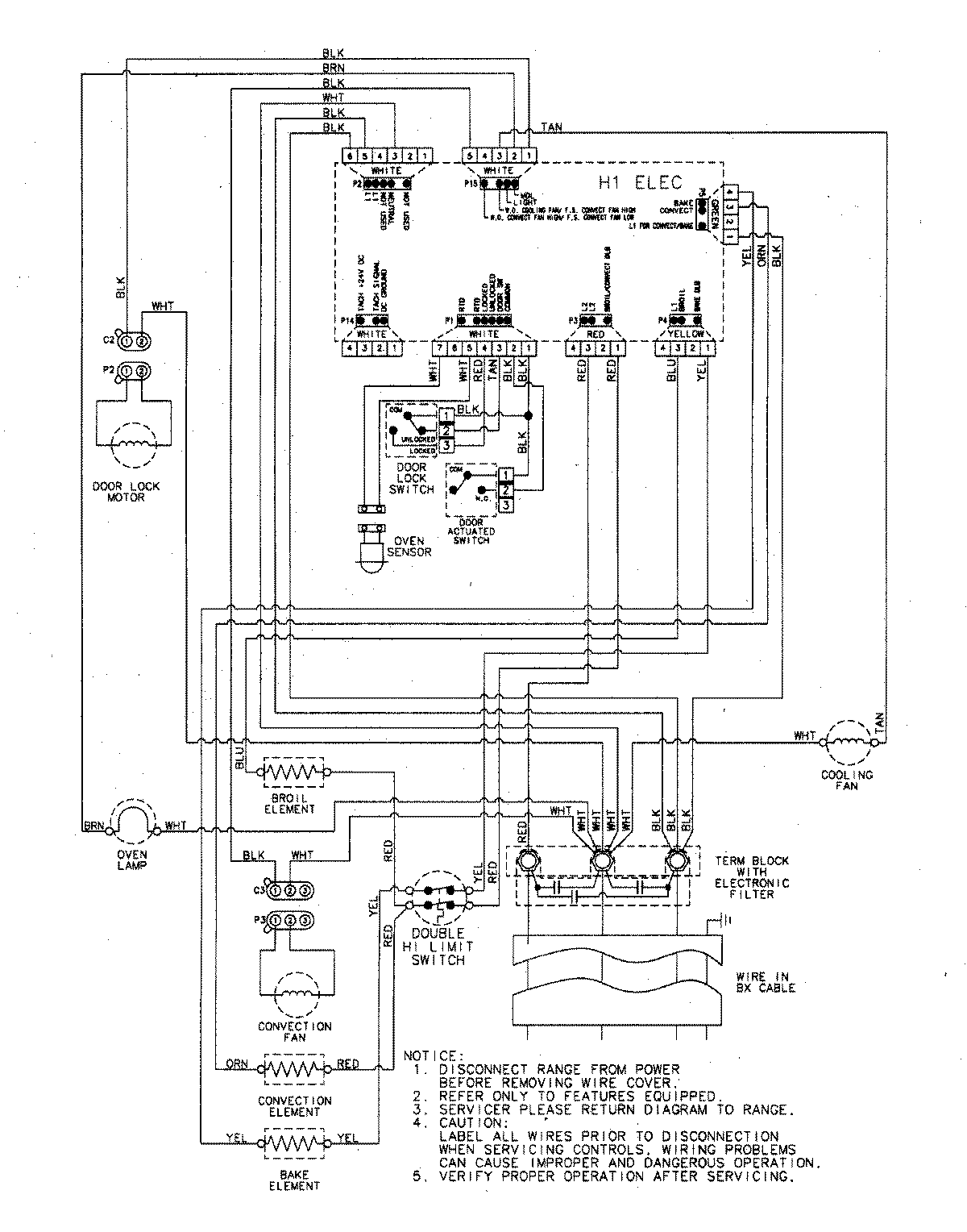
MEW5527DDW 06 – WIRING INFORMATIONadmin2025-04-26T09:08:38+00:00MEW5527DDW 06 – WIRING INFORMATION ProductsPositionProductNIMAY 15003252