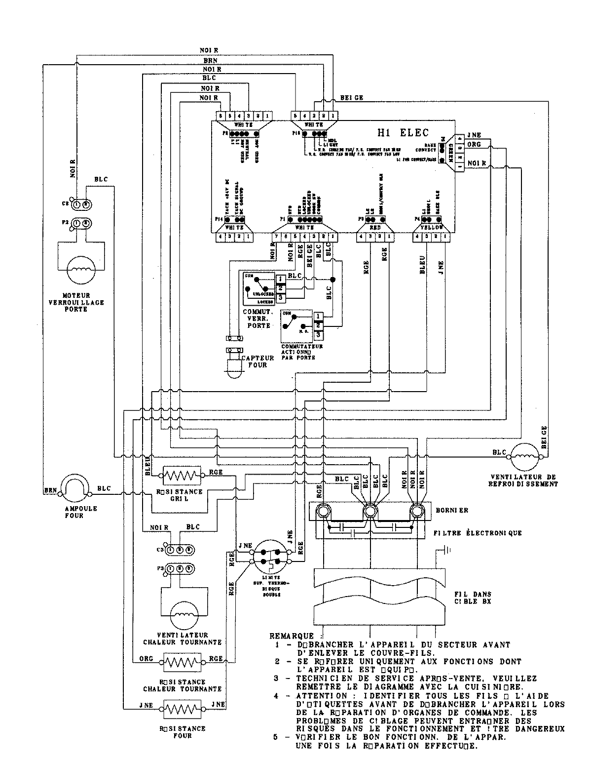
MEW5527DDW 07 – WIRING INFORMATIONadmin2025-04-26T09:09:09+00:00MEW5527DDW 07 – WIRING INFORMATION ProductsPositionProduct1MAY 15003253