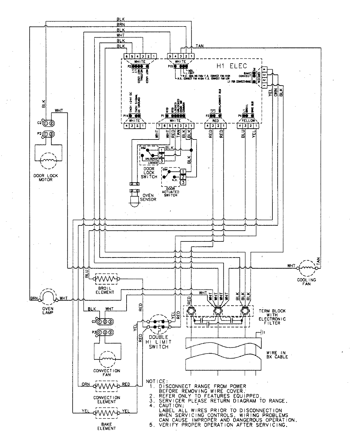
MEW5530DDB 06 – WIRING INFORMATIONadmin2025-04-26T09:08:51+00:00MEW5530DDB 06 – WIRING INFORMATION ProductsPositionProductNIMAY 15003252