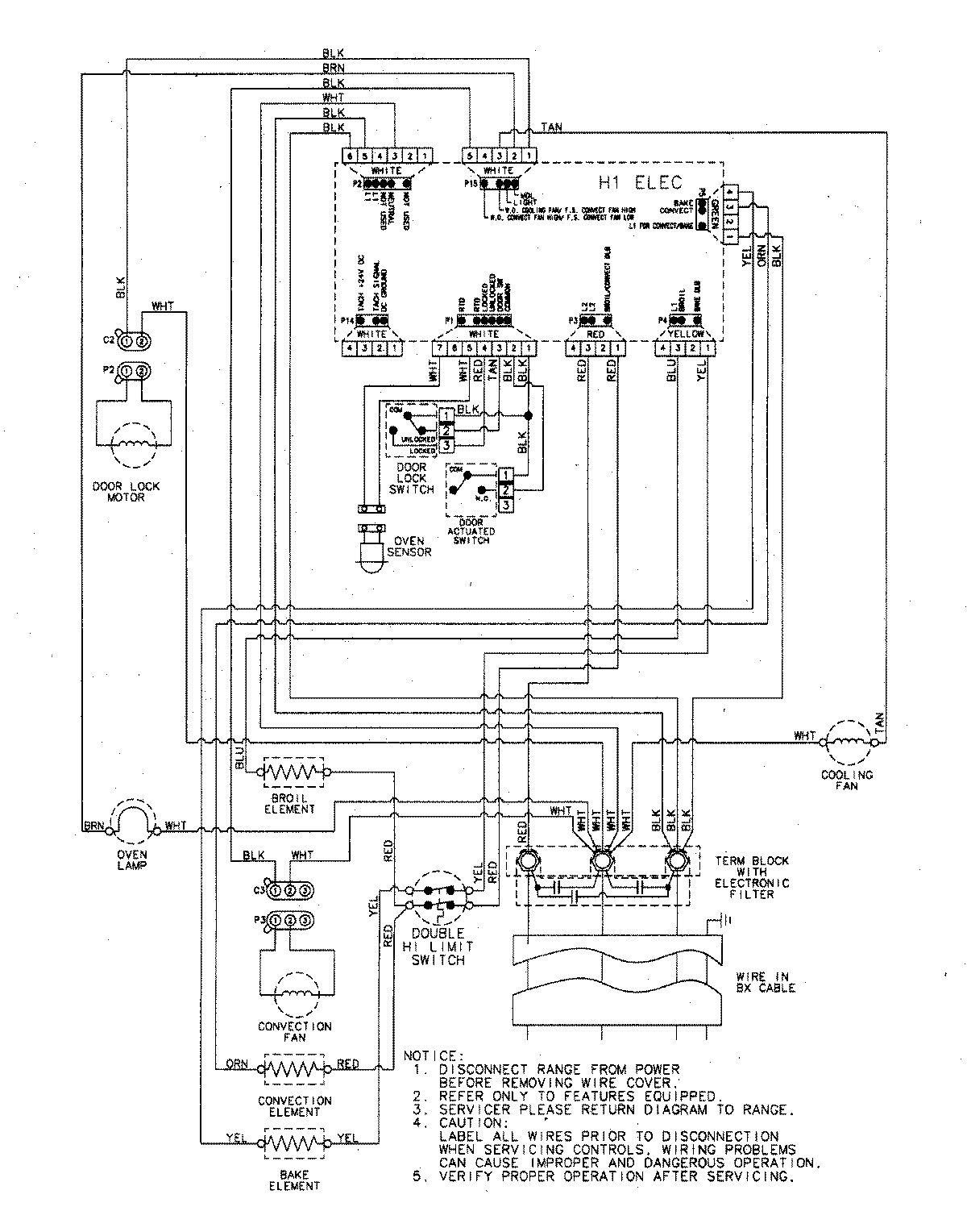
MEW5530DDW 06 – WIRING INFORMATIONadmin2025-04-26T09:08:53+00:00MEW5530DDW 06 – WIRING INFORMATION ProductsPositionProductNIMAY 15003252