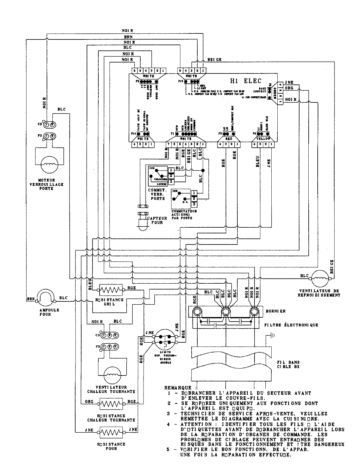
MEW5530DDW 07 – WIRING INFORMATIONadmin2025-04-26T09:07:50+00:00MEW5530DDW 07 – WIRING INFORMATION ProductsPositionProduct1MAY 15003253