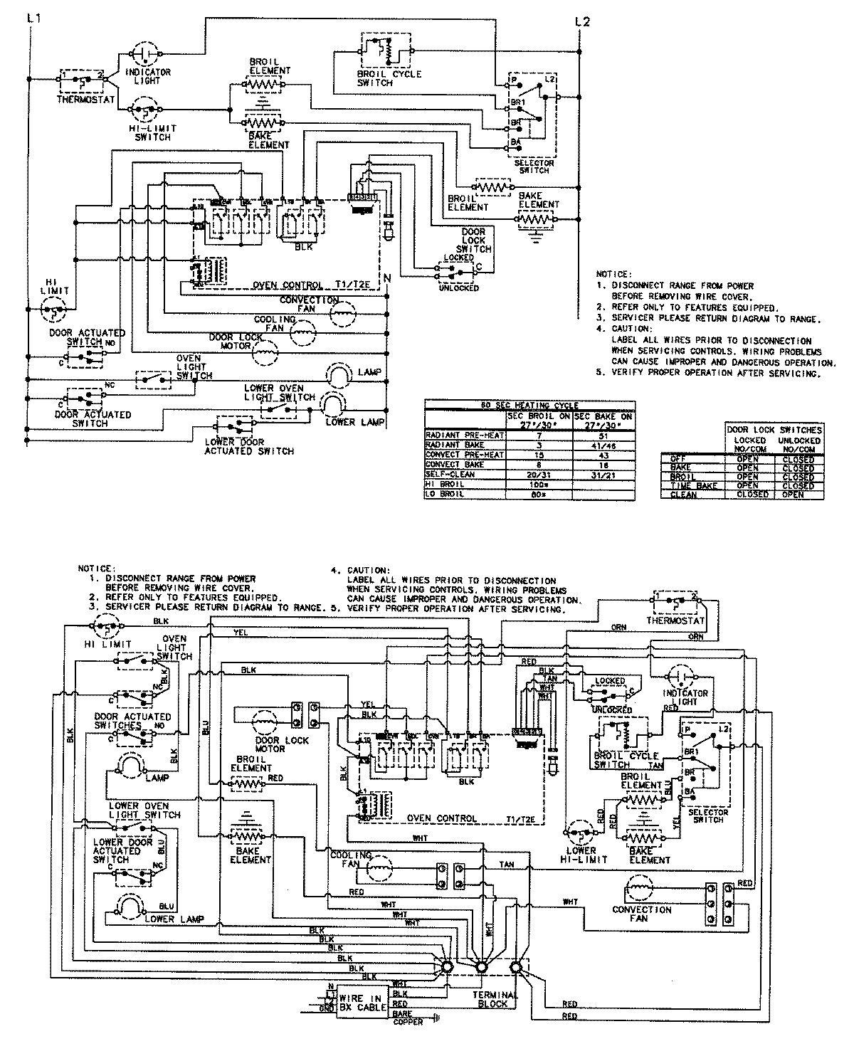
MEW5627BAW 06 – WIRING INFORMATIONadmin2025-04-26T09:09:40+00:00MEW5627BAW 06 – WIRING INFORMATION ProductsPositionProductNIMAY 15002629