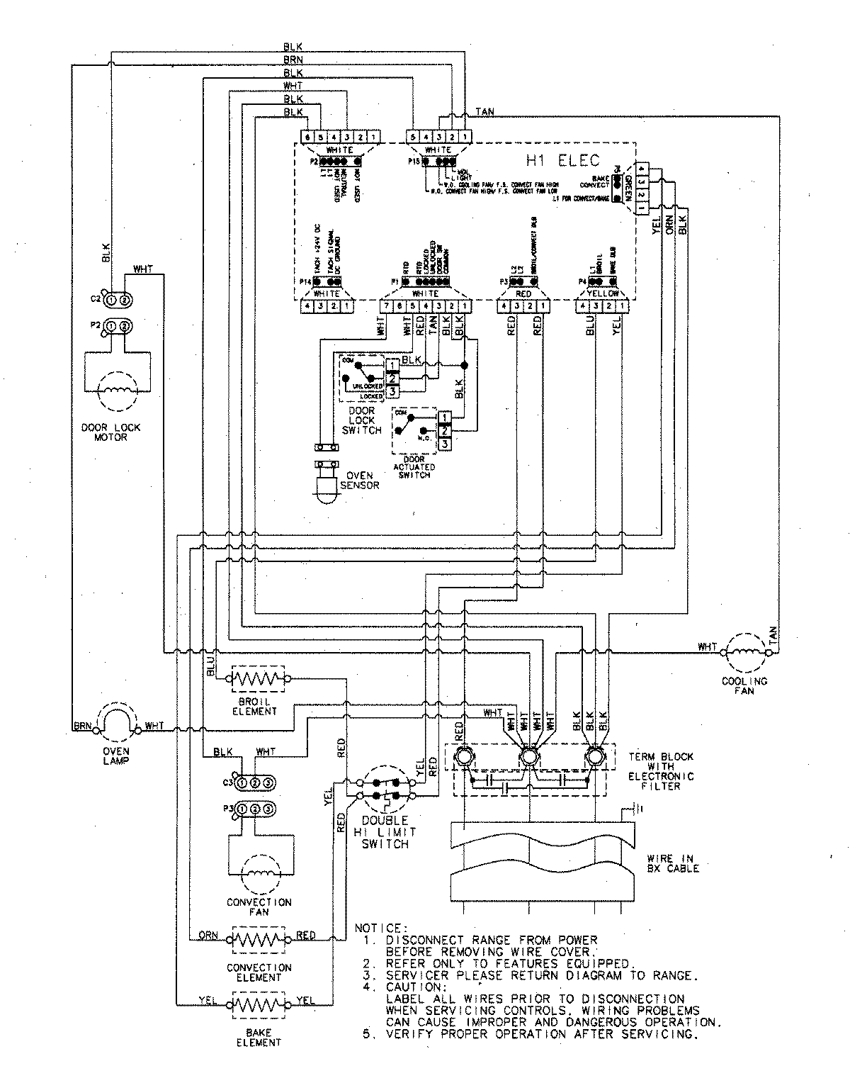
MEW5627DDB 06 – WIRING INFORMATIONadmin2025-04-26T09:08:07+00:00MEW5627DDB 06 – WIRING INFORMATION ProductsPositionProductNIMAY 15003252