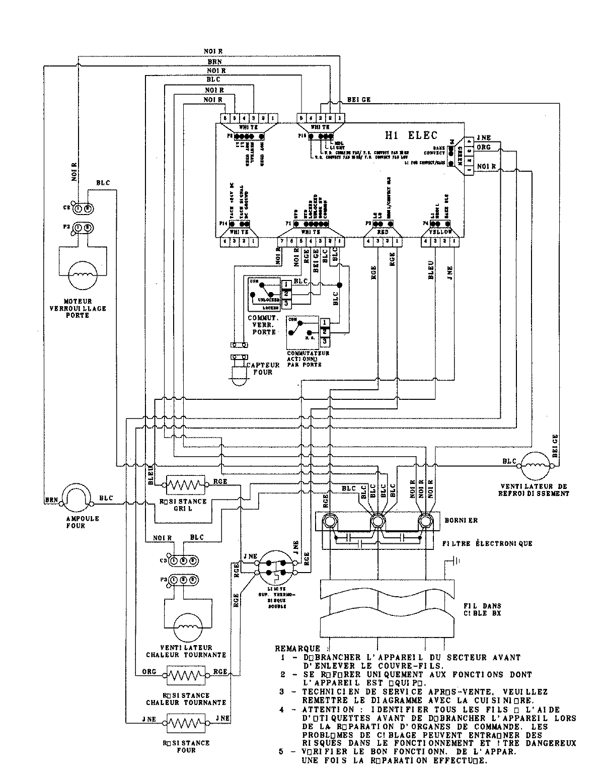
MEW5627DDB 07 – WIRING INFORMATIONadmin2025-04-26T09:07:59+00:00MEW5627DDB 07 – WIRING INFORMATION ProductsPositionProduct1MAY 15003253