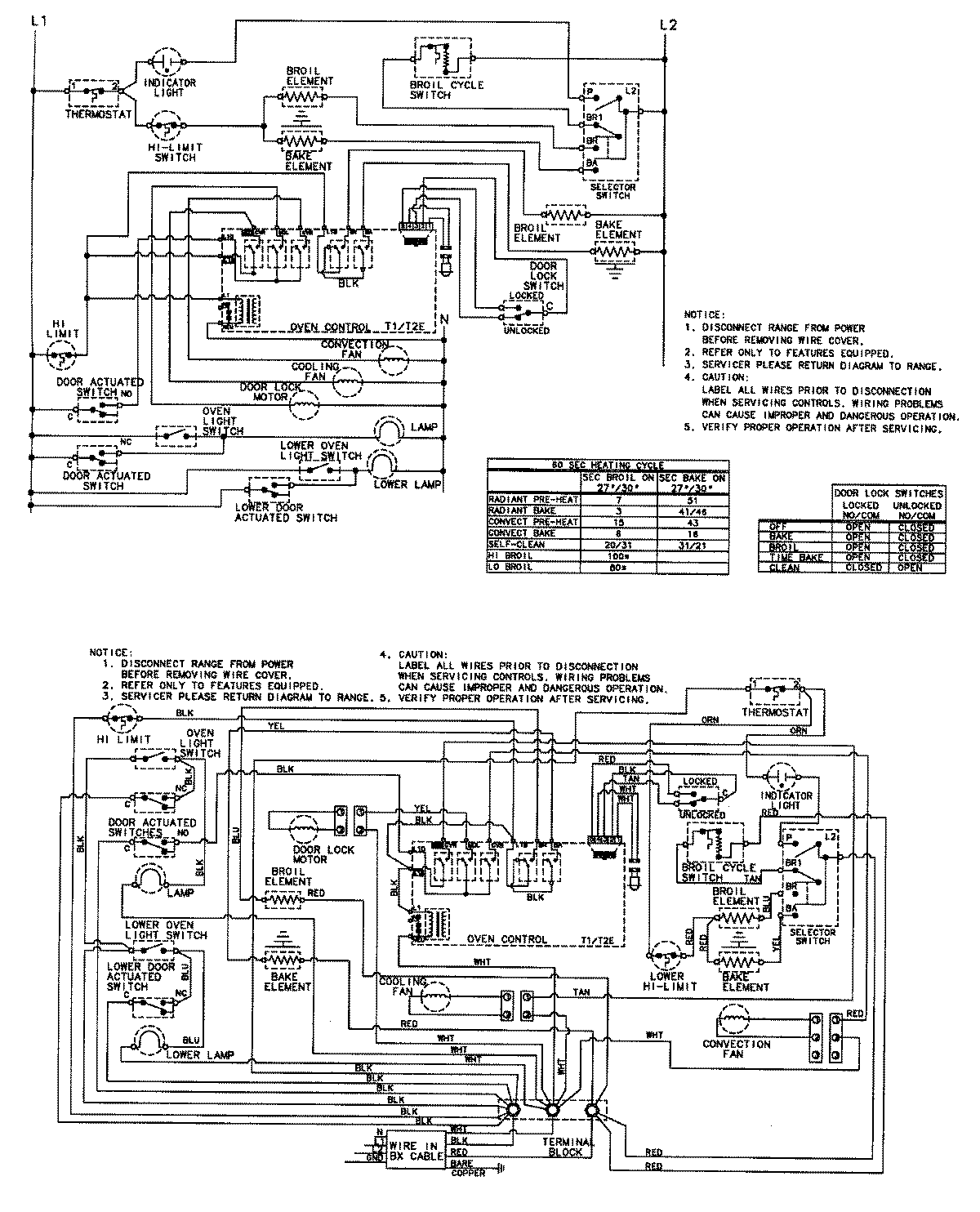
MEW5630BAB 06 – WIRING INFORMATIONadmin2025-04-26T09:08:04+00:00MEW5630BAB 06 – WIRING INFORMATION ProductsPositionProductNIMAY 15002629