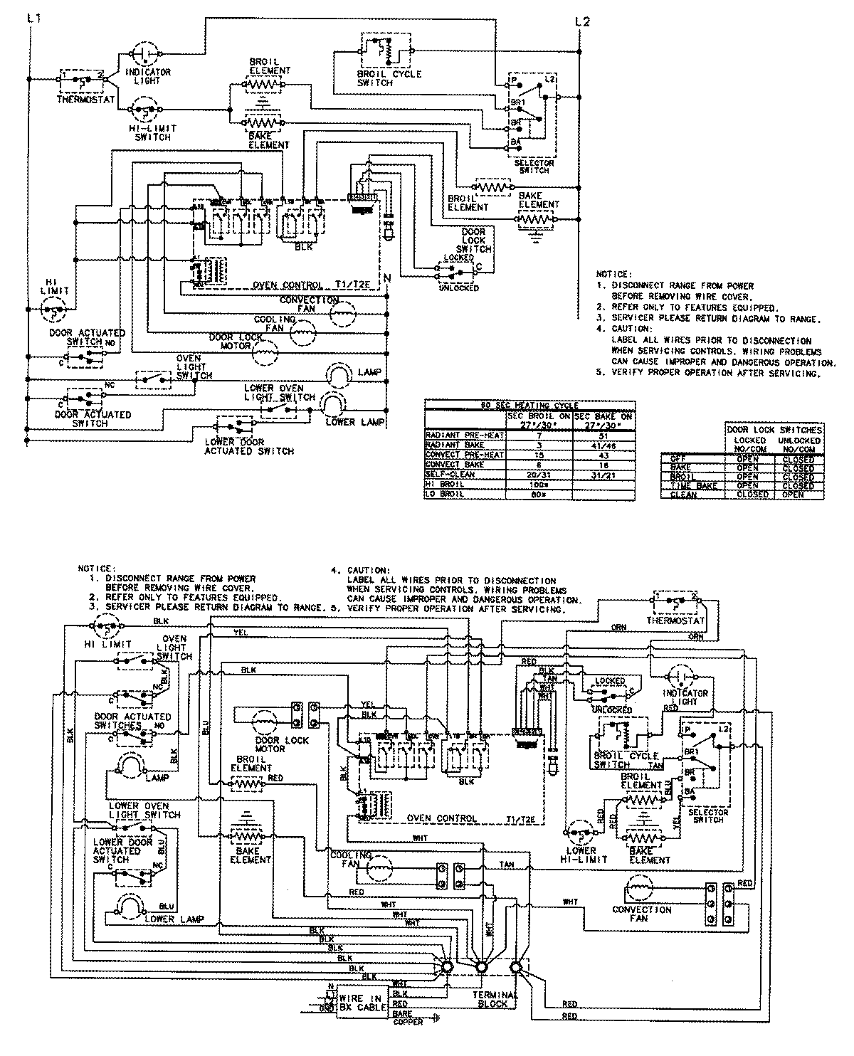
MEW5630BAW 06 – WIRING INFORMATIONadmin2025-04-26T09:08:40+00:00MEW5630BAW 06 – WIRING INFORMATION ProductsPositionProductNIMAY 15002629