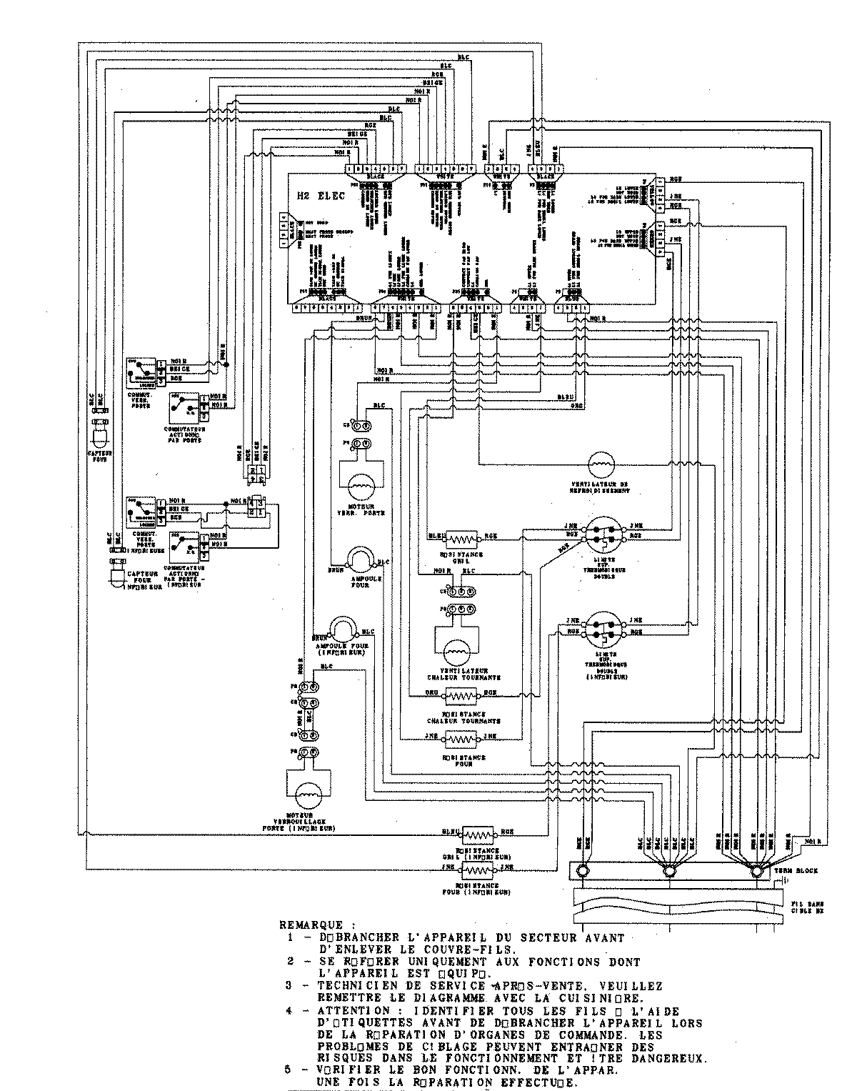
MEW5630DDW 07 – WIRING INFORMATIONadmin2025-04-26T09:07:38+00:00MEW5630DDW 07 – WIRING INFORMATION ProductsPositionProduct1MAY 15003245