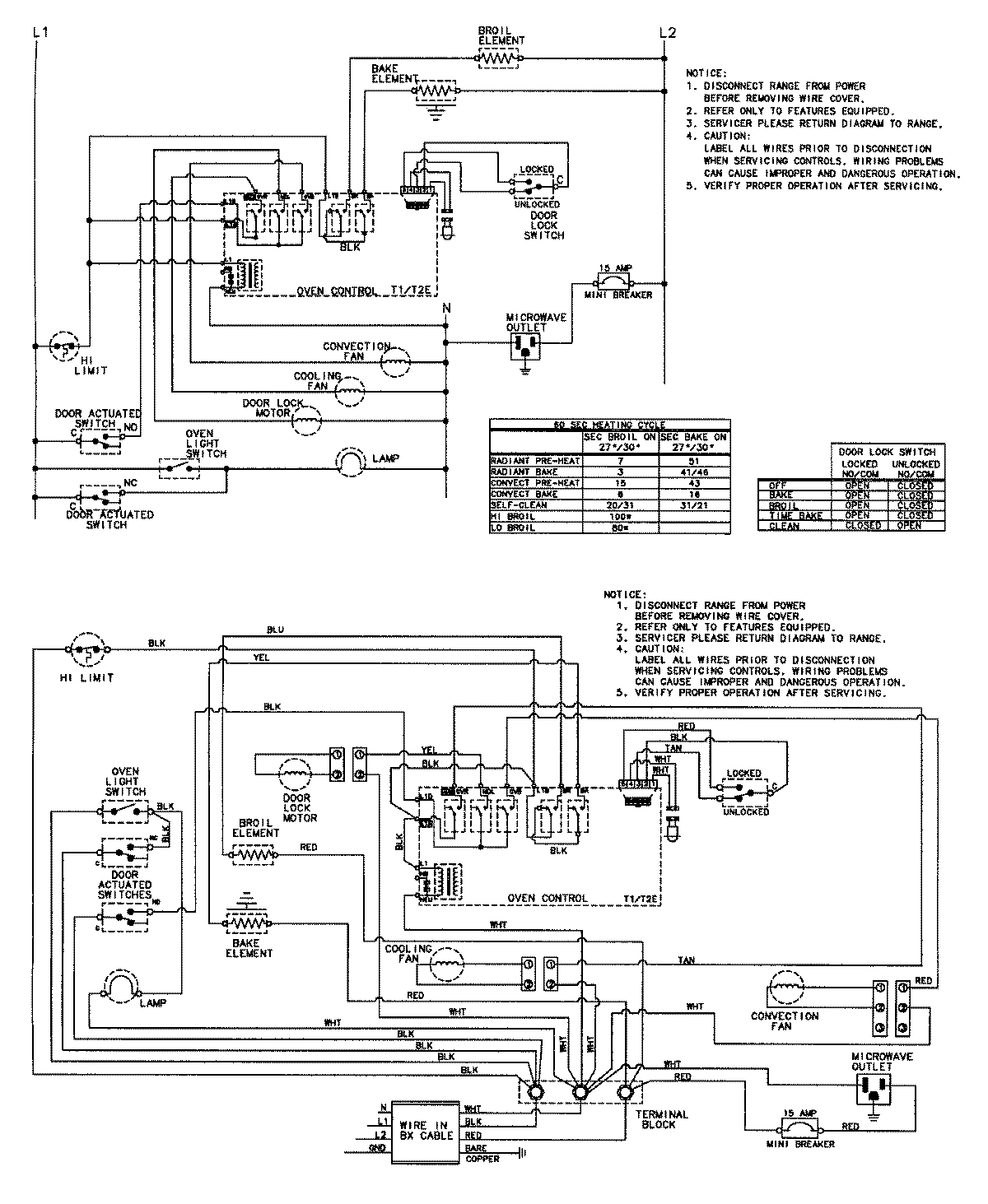
MEW6527BAC 06 – WIRING INFORMATIONadmin2025-04-26T09:09:15+00:00MEW6527BAC 06 – WIRING INFORMATION ProductsPositionProductNIMAY 15002627