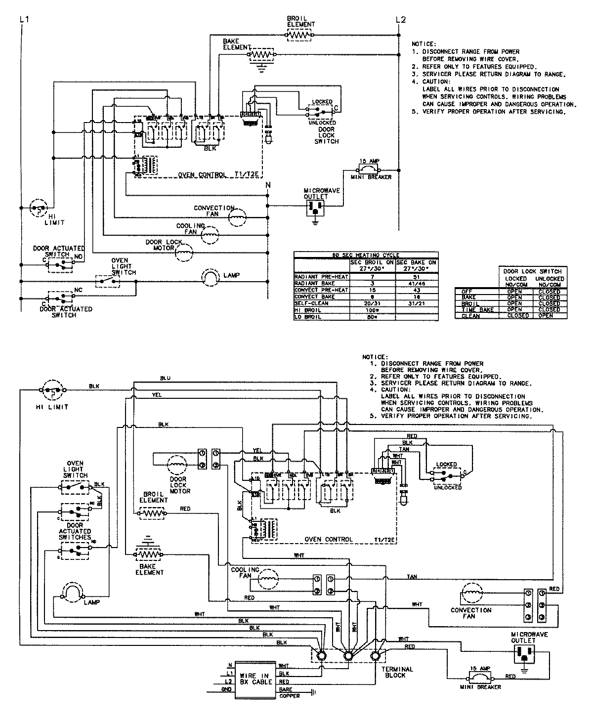
MEW6527BAW 06 – WIRING INFORMATIONadmin2025-04-26T09:08:46+00:00MEW6527BAW 06 – WIRING INFORMATION ProductsPositionProductNIMAY 15002627