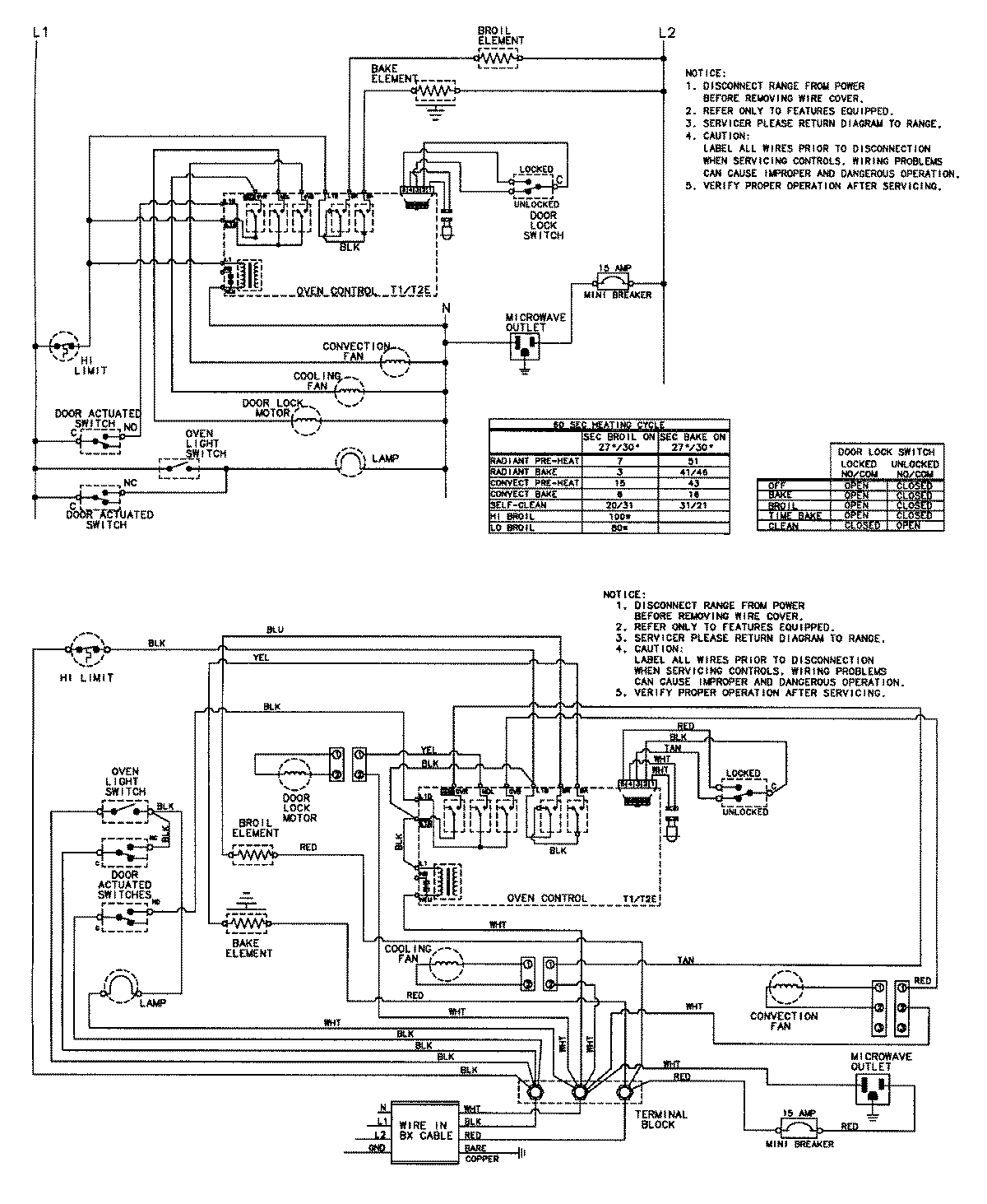
MEW6527CAS 06 – WIRING INFORMATIONadmin2025-04-26T09:09:48+00:00MEW6527CAS 06 – WIRING INFORMATION ProductsPositionProductNIMAY 15002627