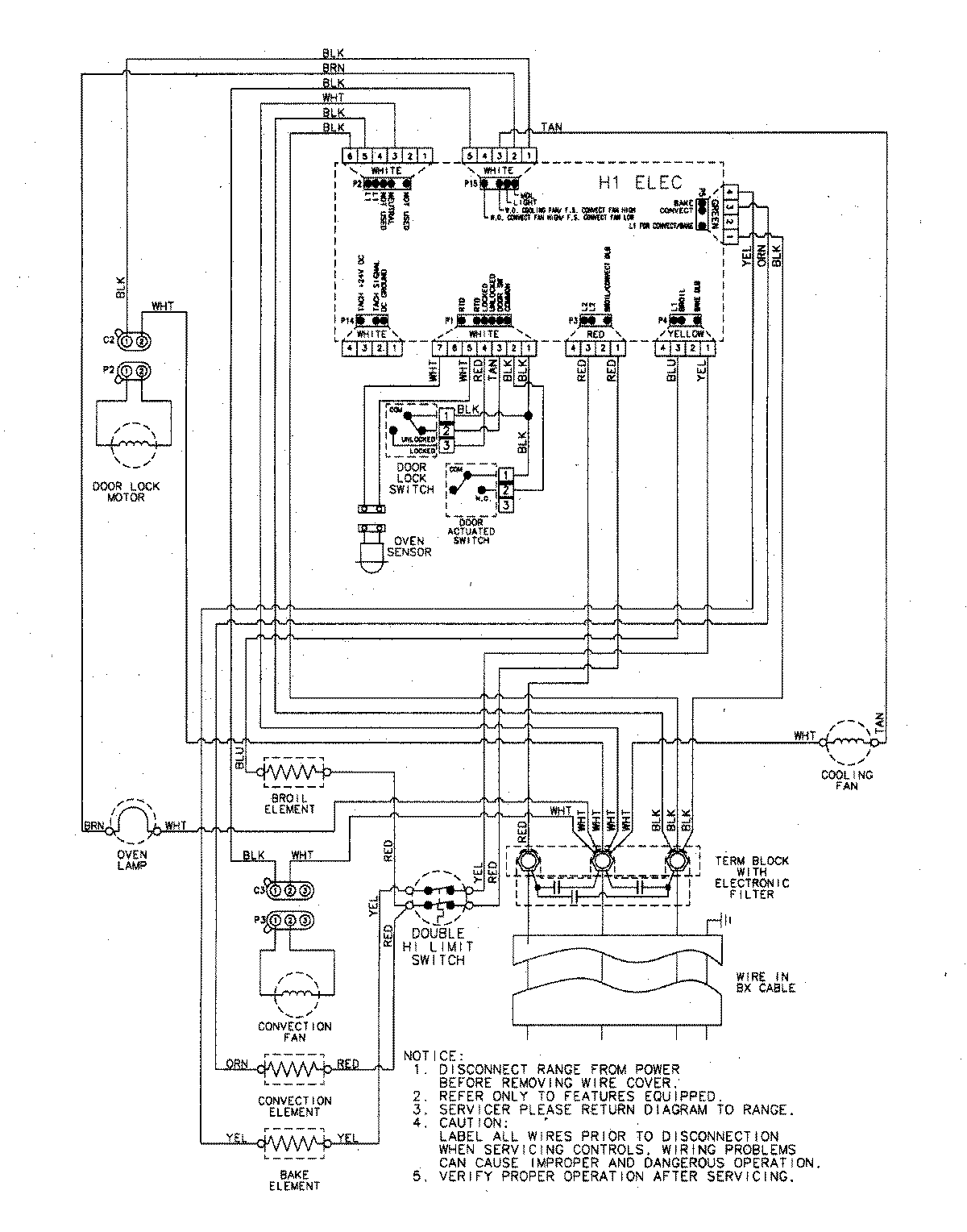
MEW6527DDQ 06 – WIRING INFORMATIONadmin2025-04-26T09:09:20+00:00MEW6527DDQ 06 – WIRING INFORMATION ProductsPositionProductNIMAY 15003252