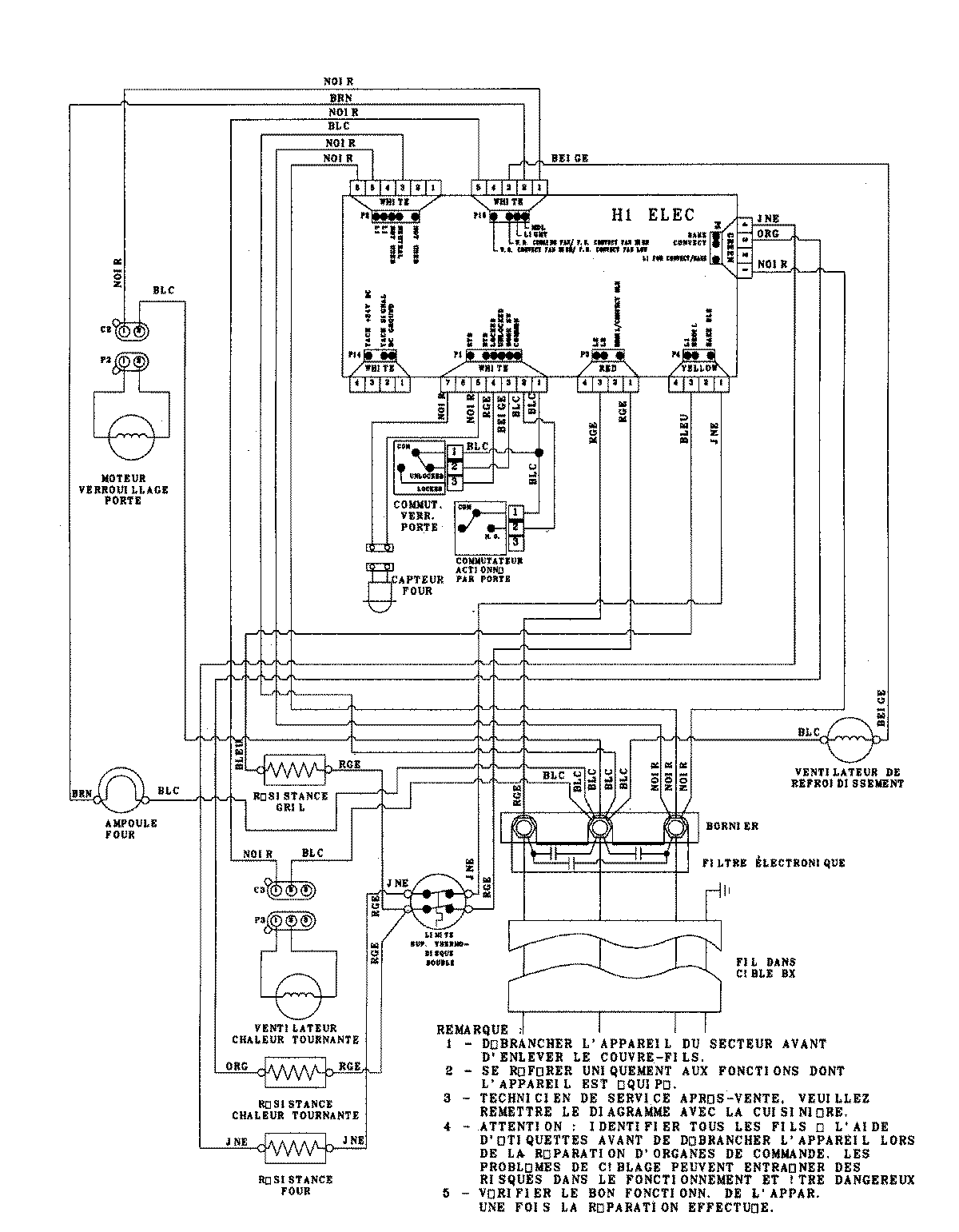
MEW6527DDQ 07 – WIRING INFORMATIONadmin2025-04-26T09:09:06+00:00MEW6527DDQ 07 – WIRING INFORMATION ProductsPositionProduct1MAY 15003253