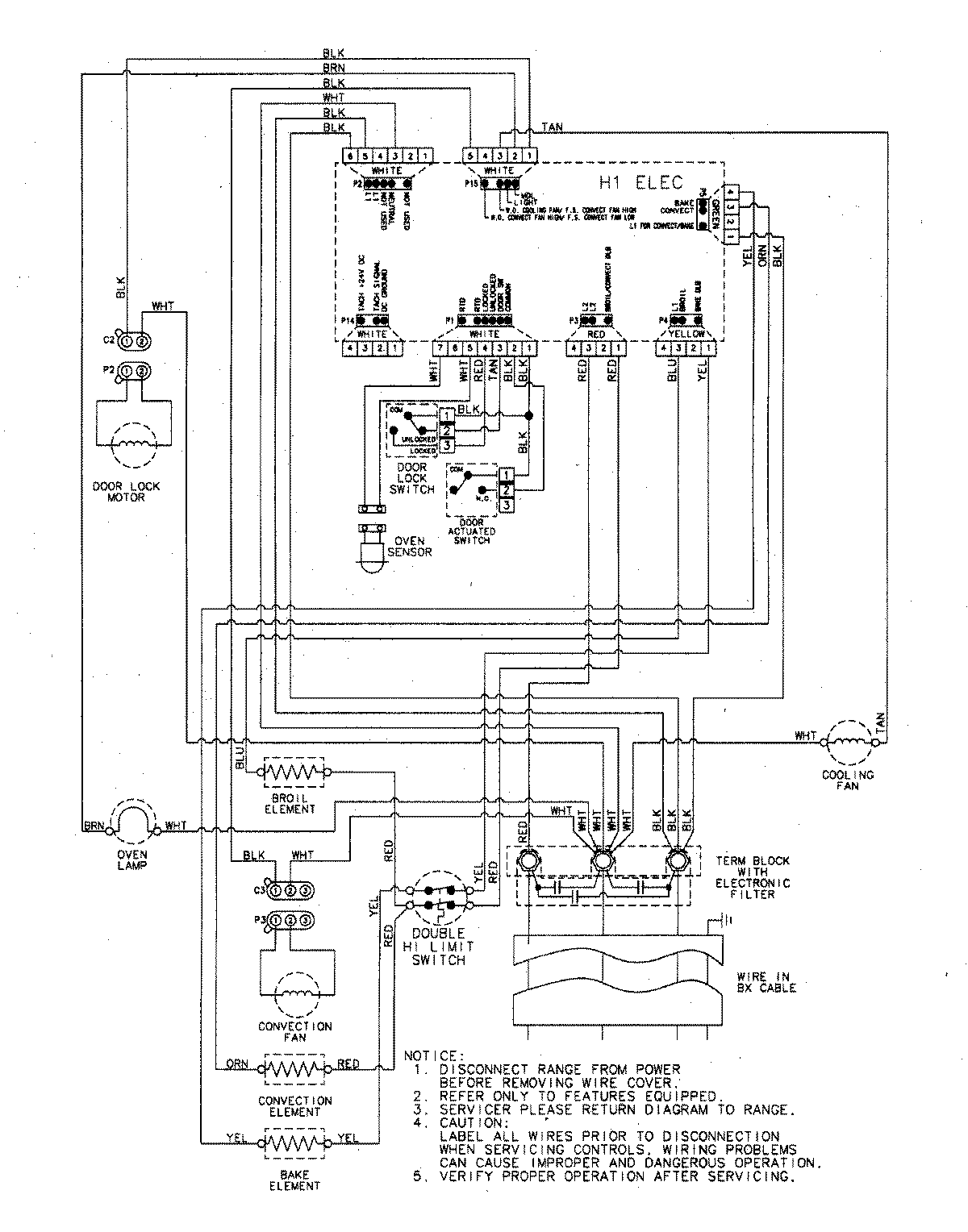
MEW6527DDW 06 – WIRING INFORMATION

MEW6527DDW 06 – WIRING INFORMATION

Products

PositionProduct
NIMAY 15003252