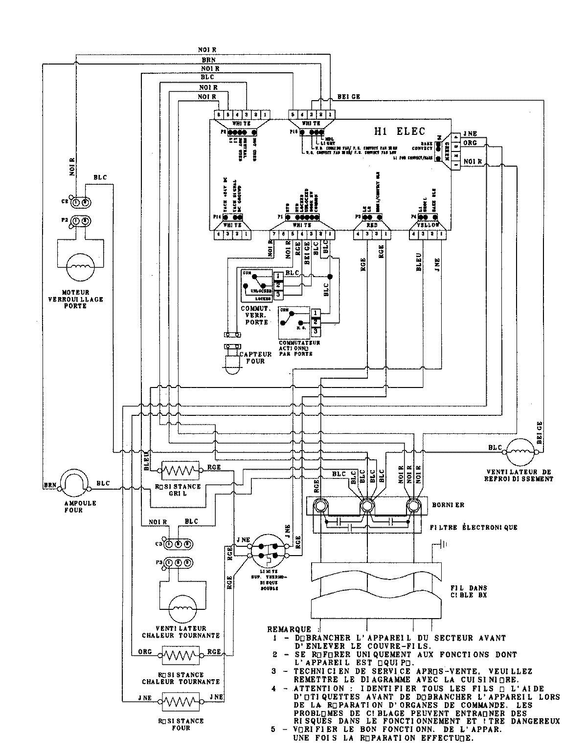
MEW6527DDW 07 – WIRING INFORMATIONadmin2025-04-26T09:08:39+00:00MEW6527DDW 07 – WIRING INFORMATION ProductsPositionProduct1MAY 15003253