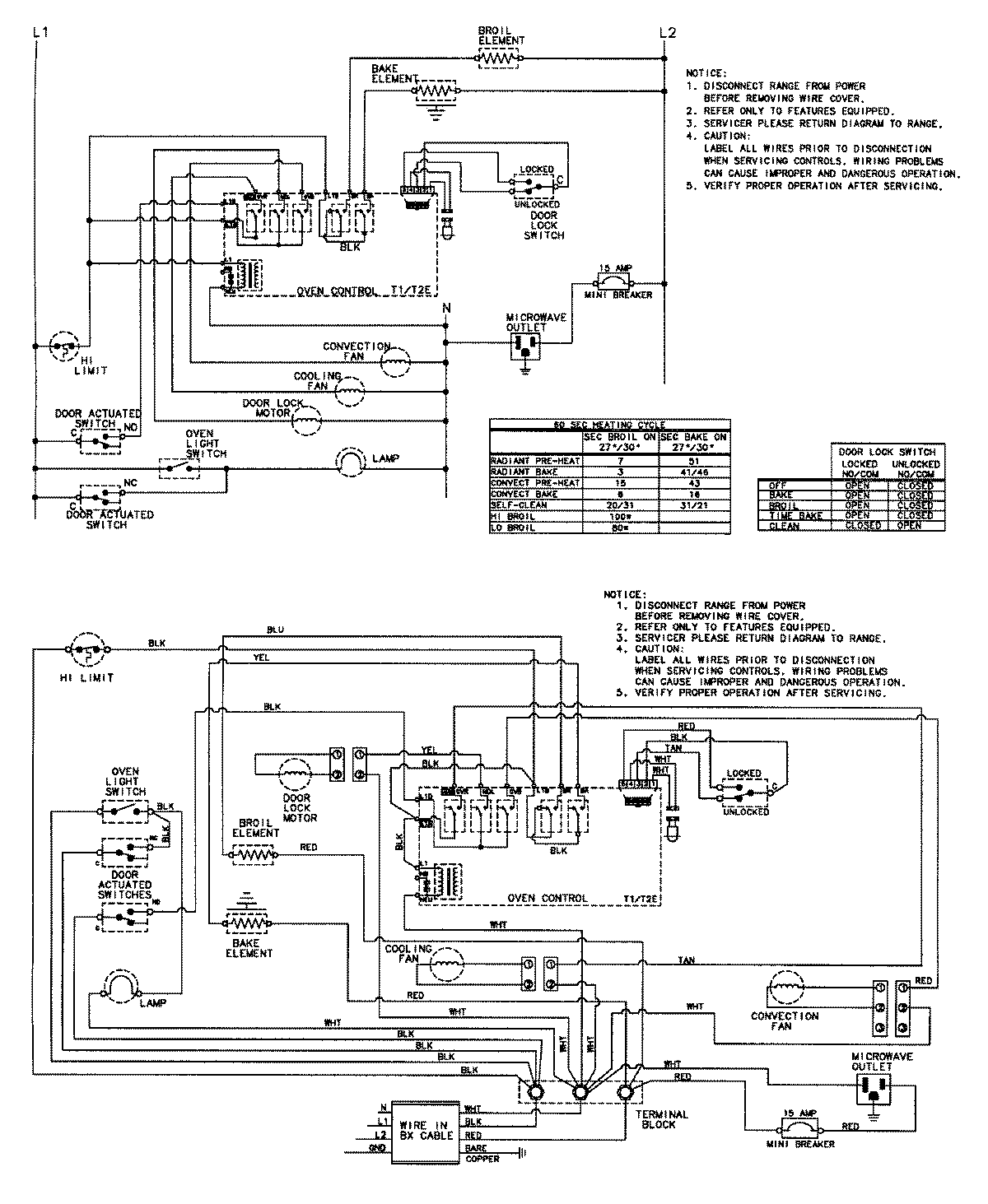
MEW6530CAS 06 – WIRING INFORMATIONadmin2025-04-26T09:08:44+00:00MEW6530CAS 06 – WIRING INFORMATION ProductsPositionProductNIMAY 15002627