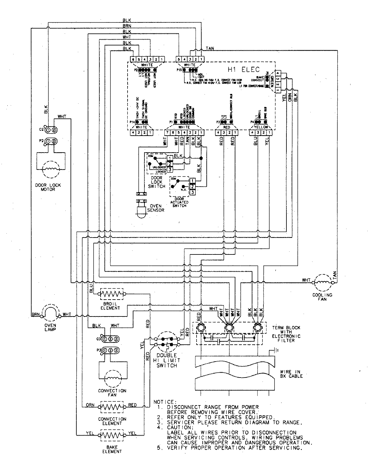
MEW6530DDB 06 – WIRING INFORMATIONadmin2025-04-26T09:08:32+00:00MEW6530DDB 06 – WIRING INFORMATION ProductsPositionProductNIMAY 15003252