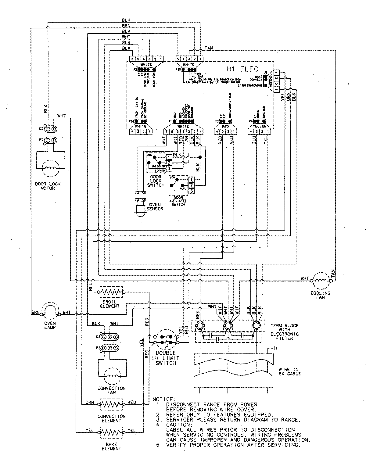
MEW6530DDS 06 – WIRING INFORMATIONadmin2025-04-26T09:08:24+00:00MEW6530DDS 06 – WIRING INFORMATION ProductsPositionProductNIMAY 15003252