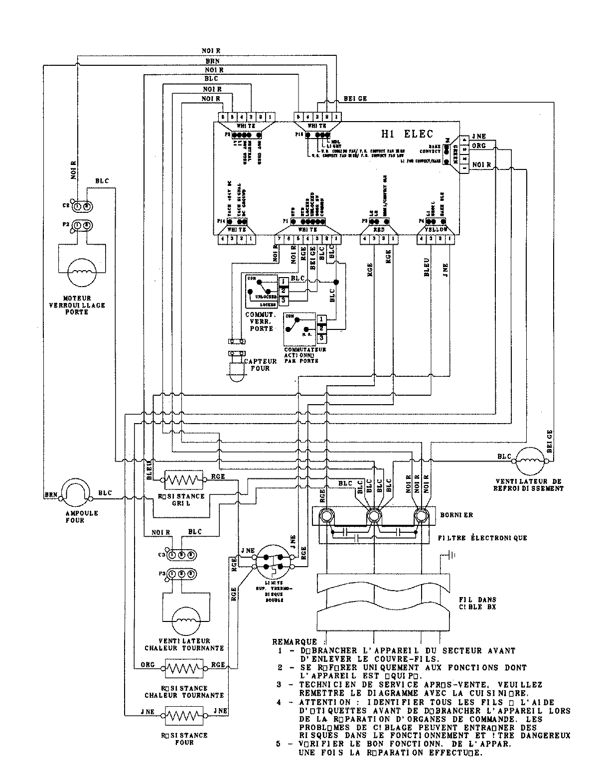
MEW6530DDS 07 – WIRING INFORMATIONadmin2025-04-26T09:08:32+00:00MEW6530DDS 07 – WIRING INFORMATION ProductsPositionProduct1MAY 15003253