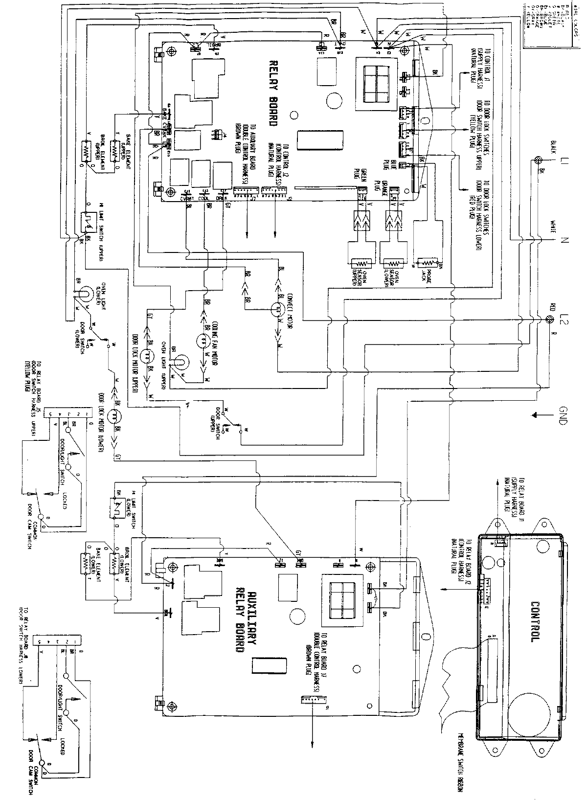
MEW6627CAS 06 – WIRING INFORMATIONadmin2025-04-26T09:07:33+00:00MEW6627CAS 06 – WIRING INFORMATION ProductsPositionProductNIMAY 15002945NIMAY 15001719